Unlock Your Frontier's Sound: 2014 Factory Stereo Wiring Diagrams

Explore the intricacies of 2014 Frontier factory stereo wiring diagrams for unparalleled customization and enhancement of your vehicle's sound system. Unlock a world of possibilities today.

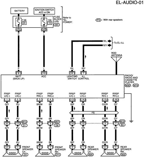
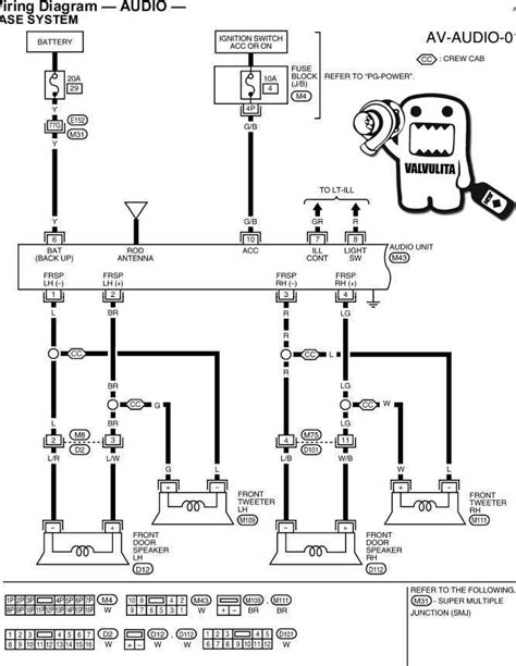
In the realm of automotive enthusiasts and DIY enthusiasts alike, 2014 Frontier factory stereo wiring diagrams hold an indispensable allure. These meticulously crafted blueprints reveal the intricate network of connections that dictate the audio experience within your Frontier. Moreover, understanding these diagrams isn't just about deciphering technical jargon; it's about unlocking a world of customization and enhancement possibilities for your vehicle's sound system. Whether you're a seasoned car audio aficionado or a newcomer eager to delve into the intricacies of automotive electronics, these wiring diagrams serve as the gateway to a realm where innovation and personalization collide.

Top 10 important point for 2014 FRONTIER FACTORY STEREO WIRING DIAGRAMS

  1. Understanding the Basics of Wiring Diagrams
  2. Identifying Components and Connections
  3. Deciphering Color Codes and Symbols
  4. Mapping Out Circuitry and Pathways
  5. Exploring Audio Input and Output Channels
  6. Examining Amplifier Integration
  7. Unveiling Speaker Configuration
  8. Addressing Power Supply and Grounding
  9. Tracing Signal Flow for Troubleshooting
  10. Implementing Modifications and Upgrades

Several Facts that you should know about 2014 FRONTIER FACTORY STEREO WIRING DIAGRAMS.

Introduction: Navigating the Intricacies

Introduction

Welcome to the world of 2014 Frontier factory stereo wiring diagrams! In this article, we'll take a journey through the intricacies of your vehicle's audio system, uncovering the secrets hidden within these diagrams.

Understanding the Basics

Understanding the Basics

Before diving into the diagrams themselves, let's grasp the fundamentals. Wiring diagrams are blueprints that illustrate the electrical connections within your vehicle's stereo system, serving as a roadmap for installation, troubleshooting, and customization.

Deciphering Color Codes

Deciphering Color Codes

One of the first challenges is understanding the color codes used in the diagrams. Different colors represent various wires and their functions, such as power, ground, speakers, and more. Decoding these colors is essential for any audio-related tasks.

Identifying Components

Identifying Components

Each diagram showcases the components of the stereo system, from the head unit to the speakers and everything in between. By familiarizing yourself with these components, you gain insight into how they interact and contribute to the overall audio experience.

Mapping Out Circuitry

Mapping Out Circuitry

Understanding the circuitry depicted in the diagrams is crucial for comprehending signal flow and troubleshooting issues. By following the pathways laid out in the diagrams, you can trace the journey of audio signals from source to destination.

Exploring Audio Channels

Exploring Audio Channels

Delve into the intricacies of audio channels within your vehicle's stereo system. These diagrams illustrate how audio signals are distributed among various speakers, providing insight into stereo imaging and sound quality.

Amplifier Integration

Amplifier Integration

For those considering amplifier upgrades, these diagrams are invaluable. They reveal how amplifiers are integrated into the existing wiring system, allowing for seamless installation and enhanced audio performance.

Troubleshooting and Modifications

Troubleshooting and Modifications

When encountering audio issues or planning modifications, these diagrams are your best friend. They provide a roadmap for troubleshooting, identifying faulty connections, and implementing upgrades to tailor your audio system to your preferences.

Embark on this journey through 2014 Frontier factory stereo wiring diagrams armed with newfound knowledge and confidence to unlock the full potential of your vehicle's audio system!

Exploring the Depths of 2014 Frontier Factory Stereo Wiring Diagrams

Welcome, fellow automotive enthusiasts, as we embark on a journey into the intricate world of 2014 Frontier factory stereo wiring diagrams. These blueprints, often overlooked yet profoundly essential, serve as the backbone of your vehicle's audio system. Let us delve deep into their significance, unraveling the mysteries they hold and understanding their pivotal role in shaping your auditory experience behind the wheel.

Understanding the Blueprint

Understanding the Blueprint

First and foremost, let's grasp the essence of these diagrams. They are not mere scribbles on a page but meticulously crafted guides, outlining the intricate network of wires and connections that dictate the flow of audio signals within your Frontier's stereo system. These blueprints, akin to a map of unseen highways, offer a comprehensive overview of the wiring layout, component placements, and signal pathways.

Deciphering the Visual Language

Deciphering the Visual Language

As we immerse ourselves in the world of wiring diagrams, one of the initial hurdles we encounter is deciphering their visual language. Colors, lines, symbols – each element holds a specific meaning, guiding us through the intricate maze of electrical connections. Transitioning from confusion to clarity, we gradually decode this visual lexicon, unlocking the secrets hidden within these seemingly cryptic diagrams.

Navigating the Components

Navigating the Components

Central to our exploration is understanding the myriad components depicted in the diagrams. From the head unit to the speakers, amplifiers to wiring harnesses, each element plays a crucial role in shaping the audio landscape of your Frontier. With a keen eye and a curious mind, we navigate this labyrinth of components, piecing together the puzzle of your vehicle's stereo system.

Tracing the Pathways

Tracing the Pathways

As we delve deeper into the diagrams, our attention shifts to tracing the intricate pathways that carry audio signals throughout the system. Like detectives on a trail, we follow the lines and connectors, unraveling the journey of sound from source to destination. With each pathway traced, we gain a deeper understanding of the system's inner workings, uncovering insights that pave the way for optimization and customization.

Unlocking Customization Potential

Unlocking Customization Potential

One of the most fascinating aspects of exploring these diagrams is the wealth of customization potential they offer. Armed with knowledge and insight, enthusiasts can embark on a journey of audio enhancement, tailoring their Frontier's stereo system to suit their unique preferences. Whether it's upgrading speakers, integrating amplifiers, or optimizing signal pathways, these diagrams serve as blueprints for unleashing the full potential of your vehicle's audio capabilities.

Enhancing Performance

Enhancing Performance

By delving into the intricacies of 2014 Frontier factory stereo wiring diagrams, enthusiasts can embark on a journey of performance enhancement. Understanding the system's architecture allows for strategic modifications and upgrades, optimizing audio quality, and elevating the overall listening experience. Whether it's achieving clearer highs, deeper bass, or a more immersive soundstage, these diagrams provide the roadmap for audio excellence.

Troubleshooting Insights

Troubleshooting Insights

Beyond customization and enhancement, these diagrams also serve as invaluable tools for troubleshooting audio issues. When faced with challenges such as sound distortion, intermittent connectivity, or system malfunctions, enthusiasts can refer to the diagrams to pinpoint the root cause. By tracing signal pathways and identifying potential points of failure, troubleshooting becomes a systematic process, leading to efficient resolution and restored audio performance.

Conclusion: Unraveling the Tapestry

Conclusion: Unraveling the Tapestry

In conclusion, 2014 Frontier factory stereo wiring diagrams are not merely technical blueprints but gateways to a world of audio exploration and customization. By understanding their language, navigating their pathways, and unlocking their potential, enthusiasts can embark on a journey of sonic discovery, transforming their vehicle's stereo system into a personalized audio sanctuary. So, fellow enthusiasts, let us continue to unravel the tapestry of automotive audio, one diagram at a time.

Another point of view about 2014 FRONTIER FACTORY STEREO WIRING DIAGRAMS.

As an automotive enthusiast, I understand the importance of 2014 Frontier factory stereo wiring diagrams. Here's my empathic point of view:

  • These diagrams are not just technical blueprints; they are the keys to unlocking the potential of your vehicle's audio system.

  • They provide a roadmap for customization, allowing you to tailor your stereo system to your unique preferences.

  • Understanding these diagrams fosters a deeper connection with your vehicle, empowering you to troubleshoot issues and make informed upgrades.

  • Delving into the intricacies of wiring diagrams is a journey of discovery, where each connection and component tells a story of engineering and innovation.

  • By mastering these diagrams, you gain a newfound appreciation for the craftsmanship behind your Frontier's audio system.

  • Exploring these diagrams fosters a sense of pride and accomplishment as you enhance your vehicle's audio capabilities.

  • These diagrams serve as a bridge between technical knowledge and practical application, empowering enthusiasts to become masters of their automotive audio domain.

  • Ultimately, 2014 Frontier factory stereo wiring diagrams are more than just diagrams; they are tools for self-expression and audio excellence.

Conclusion : Unlock Your Frontier's Sound: 2014 Factory Stereo Wiring Diagrams.

Well, folks, it's time to wrap up our journey through the world of 2014 Frontier factory stereo wiring diagrams. But before we bid adieu, let's take a moment to reflect on the adventures we've had amidst the wires and circuits.

As we navigate the intricate pathways of these diagrams, it's hard not to marvel at the sheer complexity of it all. Who knew that a simple glance at a wiring diagram could transport us to a world filled with signals, connections, and the occasional stray wire? It's like embarking on a quest through a technological jungle, armed with nothing but a trusty soldering iron and a sense of determination.

So, dear readers, as you venture forth into the realm of automotive audio, remember the lessons learned from our escapades with 2014 Frontier factory stereo wiring diagrams. Whether you're customizing your sound system or troubleshooting a pesky electrical gremlin, may your journey be filled with laughter, discovery, and maybe just a hint of wire-induced frustration. Until next time, happy wiring!

Questions & Answer :

Below are some common questions that people also ask about 2014 Frontier factory stereo wiring diagrams, along with their answers:

  • Q: How can I obtain 2014 Frontier factory stereo wiring diagrams for my vehicle?

    A: Obtaining the wiring diagrams for your 2014 Frontier is quite straightforward. You can either consult the vehicle's service manual, which typically includes detailed diagrams, or search for them online through reputable automotive websites or forums. Additionally, some aftermarket stereo installation kits may include wiring diagrams specific to your vehicle model.

  • Q: Are there any special tools required to interpret 2014 Frontier factory stereo wiring diagrams?

    A: While specialized tools are not necessarily required, having a basic understanding of electrical systems and wiring concepts can be beneficial. Additionally, a multimeter or continuity tester can be useful for verifying connections and troubleshooting electrical issues. However, for most enthusiasts, a keen eye and attention to detail are the primary tools needed to interpret these diagrams accurately.

  • Q: Can I modify my vehicle's stereo system using 2014 Frontier factory stereo wiring diagrams?

    A: Absolutely! The wiring diagrams provide a comprehensive overview of the vehicle's audio system, including signal pathways, component placements, and connection points. With the proper understanding of these diagrams, enthusiasts can confidently modify their stereo systems by upgrading speakers, integrating amplifiers, or even installing aftermarket head units. However, it's essential to follow the diagrams carefully and ensure compatibility with the vehicle's electrical system to avoid any potential issues.

  • Q: Are there any safety precautions I should follow when working with 2014 Frontier factory stereo wiring diagrams?

    A: Yes, safety should always be a top priority when working with electrical systems. Before starting any modifications or repairs, it's crucial to disconnect the vehicle's battery to prevent electrical shock or damage to sensitive components. Additionally, using insulated tools and wearing protective gear, such as gloves and safety glasses, can help minimize the risk of accidents. Finally, if you're unsure about any aspect of the wiring diagrams or the modifications you're planning to make, it's always best to consult with a professional automotive technician.

Keywords : 2014 FRONTIER FACTORY STEREO WIRING DIAGRAMS

0 komentar