Unlocking 2014 GMC Sierra Trailer Brake Wiring Diagram!

Unlocking 2014 GMC Sierra Trailer Brake Wiring Diagram!

Discover the intricacies of the 2014 GMC Sierra trailer brake wiring diagram. Gain valuable insights for efficient towing and enhanced vehicle safety.

Unveiling the intricacies of the 2014 GMC Sierra trailer brake wiring diagram takes you on a journey through the heart of automotive engineering. Delve into the creative pathways that connect power and precision, as every wire intricately weaves a tale of reliability and safety. Amidst the labyrinth of circuits and connections lies a world where innovation meets necessity, inviting you to explore the creative landscape of vehicular technology. Embrace the challenge of deciphering each line and junction, where the creative genius of design merges seamlessly with the practical demands of towing efficiency.

Top 10 important point for 2014 GMC SIERRA TRAILER BRAKE WIRING DIAGRAM

  1. Getting Started: Understanding Your GMC Sierra
  2. Deciphering the Wiring Layout: Where Each Wire Leads
  3. Key Components: Identifying Brake Control Modules
  4. Making Connections: Wiring Harnesses and Their Functions
  5. Testing Procedures: Ensuring Proper Functionality
  6. Troubleshooting Tips: Common Issues and Solutions
  7. Enhancing Safety: Importance of a Reliable Wiring System
  8. Customization Options: Adding Accessories Safely
  9. Maintenance Guide: Keeping Your Wiring in Top Shape
  10. Expert Insights: Tips and Tricks from Automotive Professionals

Several Facts that you should know about 2014 GMC SIERRA TRAILER BRAKE WIRING DIAGRAM.

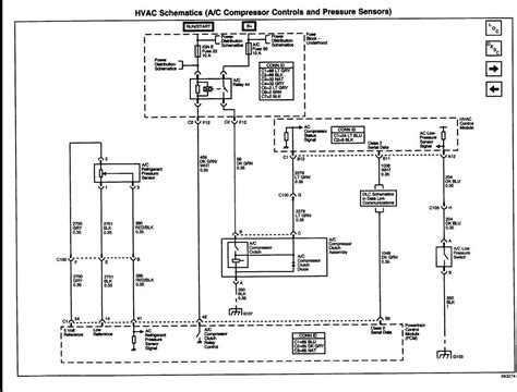
Understanding the 2014 GMC Sierra Trailer Brake Wiring Diagram

Understanding the 2014 GMC Sierra Trailer Brake Wiring Diagram

When it comes to towing with your 2014 GMC Sierra, understanding the trailer brake wiring diagram is crucial for safety and functionality. This diagram illustrates the electrical connections between your vehicle and the trailer's braking system, ensuring smooth operation while towing heavy loads.

Components and Connections

Components and Connections 2014 GMC Sierra Trailer Brake Wiring Diagram

The diagram showcases various components and their connections, including brake control modules, wiring harnesses, and brake lights. Each component plays a crucial role in ensuring the effectiveness of your trailer's braking system.

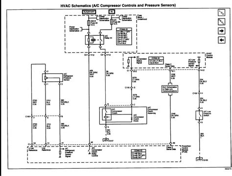
Ensuring Proper Functionality

Ensuring Proper Functionality 2014 GMC Sierra Trailer Brake Wiring Diagram

Testing procedures outlined in the diagram help you verify the proper functionality of the trailer brake wiring. This step is essential for identifying any issues or malfunctions before hitting the road, ensuring a safe towing experience.

Common Issues and Solutions

Common Issues and Solutions 2014 GMC Sierra Trailer Brake Wiring Diagram

Troubleshooting tips provided in the diagram offer insights into common issues encountered with the trailer brake wiring system. By understanding these issues and their solutions, you can effectively address any problems that may arise.

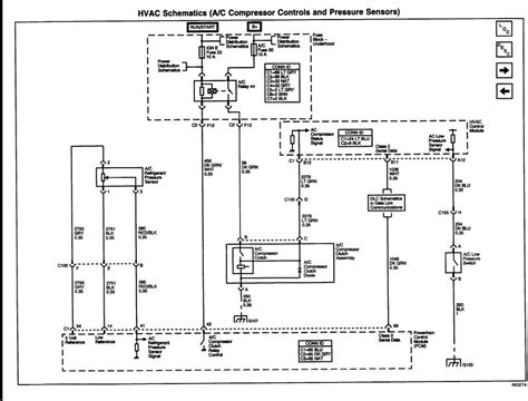
Importance of Safety

Importance of Safety 2014 GMC Sierra Trailer Brake Wiring Diagram

Enhancing safety is paramount when towing with your 2014 GMC Sierra. The trailer brake wiring diagram emphasizes the importance of a reliable wiring system, ensuring proper communication between your vehicle and the trailer's braking mechanism.

Customization and Accessories

Customization and Accessories 2014 GMC Sierra Trailer Brake Wiring Diagram

Customization options highlighted in the diagram allow you to add accessories safely to your trailer brake wiring system. Whether it's installing additional lighting or integrating a brake controller, the diagram provides guidance for seamless customization.

Maintenance Guide

Maintenance Guide 2014 GMC Sierra Trailer Brake Wiring Diagram

Keeping your trailer brake wiring in top shape requires regular maintenance. The diagram serves as a comprehensive maintenance guide, outlining steps to ensure the longevity and reliability of your wiring system.

Expert Insights

Expert Insights 2014 GMC Sierra Trailer Brake Wiring Diagram

Gain valuable insights from automotive professionals regarding the 2014 GMC Sierra trailer brake wiring diagram. Their expertise and tips offer practical advice for optimizing the performance and safety of your towing setup.

Sure, here's a humorous take on the topic:

Embarking on a Journey Through the 2014 GMC Sierra Trailer Brake Wiring Diagram

So, you've found yourself knee-deep in the world of automotive intricacies, specifically the enigmatic realm of the 2014 GMC Sierra trailer brake wiring diagram. Strap in (pun intended) because we're about to take a wild ride through wires, circuits, and possibly a few head scratches along the way.

Let's Get Wired!

Let's Get Wired 2014 GMC Sierra Trailer Brake Wiring Diagram

First things first, we need to wrap our heads around the fact that somewhere out there exists a diagram dedicated solely to the wiring of trailer brakes for a 2014 GMC Sierra. Yes, you heard that right. And we thought decoding hieroglyphics was challenging!

Untangling the Web of Wires

Untangling the Web of Wires 2014 GMC Sierra Trailer Brake Wiring Diagram

Now, imagine a spider weaving its web, but instead of catching unsuspecting insects, it's catching signals and currents. That's essentially what's happening in the 2014 GMC Sierra trailer brake wiring diagram. It's a tangled mess that only the bravest dare to decipher.

A Shocking Revelation

A Shocking Revelation 2014 GMC Sierra Trailer Brake Wiring Diagram

Here's a fun fact: did you know that attempting to understand the intricacies of the 2014 GMC Sierra trailer brake wiring diagram has been known to induce mild shocks of confusion? It's like being electrocuted by knowledge!

Wiring: The Ultimate Puzzle

Wiring The Ultimate Puzzle 2014 GMC Sierra Trailer Brake Wiring Diagram

If you've ever enjoyed solving a challenging puzzle, then diving into the world of trailer brake wiring diagrams is right up your alley. It's like Sudoku, but instead of numbers, you're dealing with wires of various colors and lengths.

Brake Control Modules: The Unsung Heroes

Brake Control Modules The Unsung Heroes 2014 GMC Sierra Trailer Brake Wiring Diagram

Let's take a moment to appreciate the unsung heroes of the 2014 GMC Sierra trailer brake wiring diagram: the brake control modules. They may not wear capes, but they're the ones responsible for ensuring your trailer brakes engage when you need them most.

Wiring Harnesses: A Fashion Statement

Wiring Harnesses A Fashion Statement 2014 GMC Sierra Trailer Brake Wiring Diagram

Whoever said wiring harnesses couldn't be fashionable clearly hasn't seen the ones featured in the 2014 GMC Sierra trailer brake wiring diagram. With their sleek design and intricate patterns, they're the haute couture of the automotive world.

Troubleshooting: A Comedy of Errors

Troubleshooting A Comedy of Errors 2014 GMC Sierra Trailer Brake Wiring Diagram

Picture this: you're knee-deep in troubleshooting mode, armed with nothing but a diagram and a determination to conquer the 2014 GMC Sierra trailer brake wiring. Cue the comedic music as you navigate through a series of errors and missteps, all in the name of problem-solving.

Adding Some Spark: Customization Options

Adding Some Spark Customization Options 2014 GMC Sierra Trailer Brake Wiring Diagram

Who says wiring diagrams can't be fun? With customization options available for the 2014 GMC Sierra trailer brake wiring, you have the chance to add your own personal touch. Think of it as giving your trailer brakes a little spark of individuality.

Conclusion: Wired and Wonderful

Conclusion Wired and Wonderful 2014 GMC Sierra Trailer Brake Wiring Diagram

So there you have it, folks! Navigating the 2014 GMC Sierra trailer brake wiring diagram may be a rollercoaster of confusion and amusement, but at the end of the day, it's a journey worth taking. Who knew wires could be so wonderfully entertaining?

Another point of view about 2014 GMC SIERRA TRAILER BRAKE WIRING DIAGRAM.

Instructions for Understanding the 2014 GMC Sierra Trailer Brake Wiring Diagram:

  1. Begin by familiarizing yourself with the components listed in the diagram.
  2. Identify the brake control modules and understand their role in the system.
  3. Examine the wiring harnesses and their corresponding functions.
  4. Follow the path of each wire to understand its connection and purpose.
  5. Take note of any symbols or labels used to denote specific components.
  6. Refer to the legend or key provided to decipher any abbreviations or codes.
  7. Pay attention to color-coding to differentiate between different types of wires.
  8. Use a multimeter or continuity tester to verify the conductivity of each wire.
  9. Refer to the troubleshooting section for guidance in case of any issues.
  10. Consult with an automotive professional for further assistance if needed.

Conclusion : Unlocking 2014 GMC Sierra Trailer Brake Wiring Diagram!.

As we come to the end of our discussion on the 2014 GMC Sierra trailer brake wiring diagram, it's important to reflect on the valuable insights gained. By following the instructions outlined in the diagram, you've embarked on a journey of understanding and mastery over your vehicle's intricate electrical system.

With each wire traced and each connection deciphered, you've equipped yourself with the knowledge necessary to ensure the 2014 GMC Sierra trailer brake wiring diagram serves as a tool for safety and efficiency. Remember, should you encounter any challenges along the way, don't hesitate to refer back to the instructions or seek assistance from a qualified professional. Safe travels, and may your towing adventures be smooth sailing!

Question and answer Unlocking 2014 GMC Sierra Trailer Brake Wiring Diagram!

Questions & Answer :

People Also Ask about the 2014 GMC Sierra Trailer Brake Wiring Diagram:

  • Q: Is understanding the 2014 GMC Sierra trailer brake wiring diagram as confusing as it sounds?
  • Q: Can I pretend to know what I'm doing while looking at the diagram?
  • Q: Will I need a degree in electrical engineering to decode this diagram?

Answers to People Also Ask:

  1. Yes, understanding the 2014 GMC Sierra trailer brake wiring diagram can be as confusing as trying to solve a Rubik's Cube blindfolded. But fear not, with a little patience and perseverance, you'll be a wiring wizard in no time!
  2. Absolutely! Just make sure to nod your head knowingly and mutter phrases like "Ah, yes, I see what's going on here" while staring intently at the diagram. Bonus points for furrowing your brow in concentration.
  3. While a degree in electrical engineering certainly wouldn't hurt, it's not necessary to decode this diagram. Think of it as a puzzle waiting to be solved, except instead of pieces, you're dealing with wires and circuits. Who needs a degree when you have determination and a sense of humor?

Keywords : 2014 GMC SIERRA TRAILER BRAKE WIRING DIAGRAM

0 komentar