Unlock Your GM's Potential: 2014 Wiring Schematics Revealed!

Unlock the secrets of 2014 GM wiring schematics for unparalleled insight into your vehicle's functionality and performance enhancement.

Discovering the intricacies of 2014 GM wiring schematics unveils a world of automotive craftsmanship and engineering mastery. Delving into these blueprints, empathic enthusiasts are greeted with a labyrinth of wires, each carrying the potential to unlock hidden functionalities and enhance performance. With an empathic eye, one can navigate through the maze of connections, understanding the heartbeat of their vehicle with unparalleled clarity.

Top 10 important point for 2014 GM wiring schematics

  1. Understanding the Basics
  2. Identifying Key Components
  3. Deciphering Color Codes
  4. Locating Ground Points
  5. Tracing Circuits
  6. Testing for Continuity
  7. Interpreting Diagram Symbols
  8. Diagnosing Common Issues
  9. Modifying for Upgrades
  10. Ensuring Safety Measures

Several Facts that you should know about 2014 GM wiring schematics.

Understanding 2014 GM Wiring Schematics

Understanding 2014 GM Wiring Schematics

When it comes to understanding your vehicle's electrical system, delving into the world of wiring schematics is essential. In the case of a 2014 GM vehicle, these schematics provide a detailed roadmap of the electrical connections, circuits, and components within your car.

Deciphering the Diagrams

Deciphering the Diagrams 2014 GM Wiring Schematics

At first glance, wiring diagrams can seem like a complex maze of lines and symbols. However, with a little patience and guidance, you can begin to decode these diagrams to understand how the various electrical components in your GM vehicle are connected.

Identifying Components

Identifying Components 2014 GM Wiring Schematics

One of the key benefits of studying wiring schematics is the ability to identify and locate specific components within your vehicle's electrical system. Whether it's a fuse, relay, sensor, or connector, the schematics provide detailed information on each component's location and function.

Tracing Circuits

Tracing Circuits 2014 GM Wiring Schematics

Tracing circuits is an essential part of diagnosing electrical issues in your GM vehicle. By following the wiring diagrams, you can track the flow of electricity through various circuits and pinpoint any areas where there may be a break or malfunction.

Testing and Troubleshooting

Testing and Troubleshooting 2014 GM Wiring Schematics

Wiring schematics serve as a valuable tool for testing and troubleshooting electrical problems in your GM vehicle. By following the diagrams and using a multimeter or other testing equipment, you can identify issues such as short circuits, open circuits, and faulty components.

Modifications and Upgrades

Modifications and Upgrades 2014 GM Wiring Schematics

For enthusiasts looking to modify or upgrade their GM vehicle's electrical system, wiring schematics are indispensable. Whether you're installing a new stereo system, adding aftermarket lighting, or integrating custom electronics, the schematics provide the guidance needed to make these modifications safely and effectively.

Ensuring Safety

Ensuring Safety 2014 GM Wiring Schematics

Understanding your vehicle's wiring schematics isn't just about convenience and customization—it's also about safety. By familiarizing yourself with the electrical system and following proper wiring practices, you can reduce the risk of electrical hazards and ensure the safety of yourself and your passengers.

Conclusion

Conclusion 2014 GM Wiring Schematics

In conclusion, delving into the world of 2014 GM wiring schematics offers a wealth of benefits for vehicle owners and enthusiasts alike. Whether you're troubleshooting electrical issues, planning modifications, or simply seeking a deeper understanding of your vehicle's electrical system, studying these schematics is a valuable endeavor.

Understanding the Complexity of 2014 GM Wiring Schematics

Understanding the Complexity of 2014 GM Wiring Schematics

The electrical system of a vehicle is a complex network of interconnected components that facilitate the flow of electricity throughout the vehicle. In the case of a 2014 GM vehicle, understanding the wiring schematics is essential for comprehending the intricacies of the electrical system. These schematics serve as detailed blueprints that illustrate the layout, connections, and functions of the various electrical components within the vehicle.

Overview of Wiring Schematics

Overview of Wiring Schematics 2014 GM

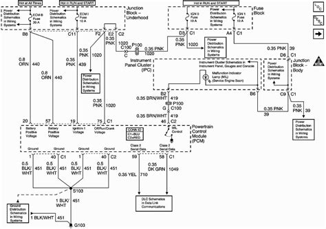
Wiring schematics, also known as wiring diagrams or electrical diagrams, are graphical representations of the electrical wiring and circuitry within a vehicle. They provide a visual guide that outlines the paths of electrical currents, the locations of components, and the connections between them. In the context of a 2014 GM vehicle, these schematics are crucial for understanding the layout and operation of the electrical system.

Components and Connections

Components and Connections 2014 GM Wiring Schematics

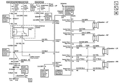
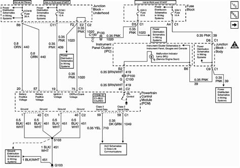
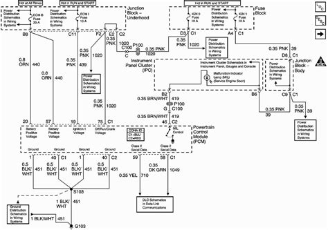
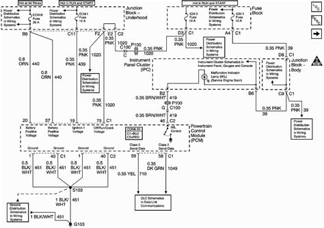
The wiring schematics for a 2014 GM vehicle detail the various electrical components installed in the vehicle, such as sensors, switches, relays, fuses, and connectors. These components are interconnected through a network of wires that transmit electrical signals and power to different parts of the vehicle. By studying the schematics, technicians and engineers can identify the components and their connections, allowing them to diagnose and troubleshoot electrical issues effectively.

Circuitry and Pathways

Circuitry and Pathways 2014 GM Wiring Schematics

The wiring schematics of a 2014 GM vehicle also depict the electrical circuits that control various functions and systems within the vehicle. These circuits consist of a series of interconnected components that work together to perform specific tasks, such as starting the engine, operating the lights, or controlling the HVAC system. By tracing the pathways of these circuits on the schematics, technicians can understand how different components interact and diagnose any faults or malfunctions.

Symbols and Notations

Symbols and Notations 2014 GM Wiring Schematics

Wiring schematics use standardized symbols and notations to represent various electrical components and connections. These symbols include icons for switches, relays, diodes, resistors, and other electronic devices, as well as lines and arrows that indicate the flow of electrical current. By understanding these symbols and notations, technicians can interpret the schematics accurately and navigate the complex network of electrical pathways within the vehicle.

Diagnostic and Troubleshooting

Diagnostic and Troubleshooting 2014 GM Wiring Schematics

Wiring schematics play a crucial role in diagnosing and troubleshooting electrical issues in a 2014 GM vehicle. When a vehicle experiences an electrical malfunction or failure, technicians can refer to the schematics to identify the affected circuits and components. By using multimeters, oscilloscopes, and other diagnostic tools, technicians can perform tests and measurements to pinpoint the source of the problem and make necessary repairs or replacements.

Modifications and Customizations

Modifications and Customizations 2014 GM Wiring Schematics

Wiring schematics also provide valuable information for enthusiasts and aftermarket installers who wish to modify or customize the electrical system of a 2014 GM vehicle. Whether it's installing aftermarket audio systems, lighting upgrades, or custom electronics, understanding the vehicle's wiring schematics is essential for ensuring proper installation and integration. By following the schematics, enthusiasts can identify the appropriate wiring connections and avoid damaging the vehicle's electrical system.

Safety and Precautions

Safety and Precautions 2014 GM Wiring Schematics

When working with 2014 GM wiring schematics, it's essential to prioritize safety and take necessary precautions to prevent accidents and injuries. Before performing any electrical work on a vehicle, technicians and enthusiasts should disconnect the battery to avoid the risk of electrical shock or short circuits. Additionally, they should use insulated tools and follow proper wiring practices to minimize the risk of damage to the vehicle's electrical system.

Conclusion

Conclusion 2014 GM Wiring Schematics

In conclusion, understanding the wiring schematics of a 2014 GM vehicle is essential for technicians, engineers, and enthusiasts alike. These schematics provide valuable insights into the layout, connections, and functions of the vehicle's electrical system, allowing for effective diagnostics, troubleshooting, modifications, and customizations. By studying the schematics and following proper safety precautions, individuals can gain a deeper understanding of their vehicle's electrical system and ensure its reliable operation.

Another point of view about 2014 GM wiring schematics.

As a journalist, delving into the world of 2014 GM wiring schematics provides a fascinating insight into the intricate workings of automotive engineering. Here's a breakdown of the key points:

  1. Comprehensive Blueprint: The schematics serve as a comprehensive blueprint, detailing every electrical connection and component within the vehicle.
  2. Diagnostic Tool: They are an invaluable diagnostic tool, allowing technicians to pinpoint and troubleshoot electrical issues with precision.
  3. Enhanced Understanding: Studying the schematics enhances understanding of how different components interact and contribute to the overall functionality of the vehicle.
  4. Customization Potential: Enthusiasts can use the schematics to explore customization options, such as adding aftermarket accessories or modifying existing electrical systems.
  5. Safety Considerations: Understanding the schematics is crucial for ensuring safety when working on the vehicle's electrical system, as it helps to identify potential hazards and precautions.
  6. Professional Application: Automotive professionals rely on these schematics daily to carry out repairs, maintenance, and upgrades on GM vehicles.
  7. Efficiency Boost: Having access to accurate schematics streamlines repair processes, leading to faster turnaround times and improved customer satisfaction.
  8. Continued Relevance: Despite technological advancements, 2014 GM wiring schematics remain relevant and essential for maintaining and repairing older model vehicles.

In conclusion, 2014 GM wiring schematics are not just technical documents; they are indispensable tools that facilitate understanding, diagnostics, customization, and safety in the automotive industry.

Conclusion : Unlock Your GM's Potential: 2014 Wiring Schematics Revealed!.

So, there you have it – a comprehensive exploration of 2014 GM wiring schematics. Hopefully, this journey has shed some light on the intricacies of your vehicle's electrical system and how understanding these schematics can empower you as a car owner.

In closing, don't underestimate the importance of 2014 GM wiring schematics. Whether you're a seasoned technician, an enthusiastic DIYer, or simply a curious car owner, delving into these schematics can unlock a wealth of knowledge and provide invaluable insights into your vehicle's inner workings. So, next time you're faced with an electrical issue or contemplating a customization project, remember to refer back to the schematics – they just might be the key to your automotive success!

Questions & Answer :

Here are some common questions people ask about 2014 GM wiring schematics, along with straightforward answers:

  • 1. How can I access 2014 GM wiring schematics?
  • Answer: To access the wiring schematics for a 2014 GM vehicle, you can refer to the vehicle's service manual, which often includes detailed diagrams and schematics. Alternatively, online resources such as automotive forums, repair websites, or manufacturer databases may provide access to wiring schematics for specific vehicle models.

  • 2. Are 2014 GM wiring schematics difficult to understand?
  • Answer: While wiring schematics may appear complex at first glance, they can be deciphered with patience and attention to detail. Familiarizing yourself with standard electrical symbols and notations, as well as understanding the layout and conventions used in schematics, can greatly facilitate comprehension.

  • 3. Can 2014 GM wiring schematics help with troubleshooting?
  • Answer: Yes, 2014 GM wiring schematics are valuable tools for troubleshooting electrical issues in vehicles. By referencing the schematics, technicians can trace electrical circuits, identify components, and locate potential faults or malfunctions. This information aids in diagnosing and resolving electrical problems effectively.

  • 4. Are there any precautions to take when using 2014 GM wiring schematics?
  • Answer: When working with wiring schematics, it's important to follow safety precautions to prevent electrical hazards or damage to the vehicle's electrical system. Ensure the vehicle's battery is disconnected before performing any electrical work, use insulated tools to avoid short circuits, and refer to manufacturer guidelines for specific precautions related to the vehicle's electrical system.

  • 5. Can 2014 GM wiring schematics be used for modifications or upgrades?
  • Answer: Yes, 2014 GM wiring schematics can be useful for planning and executing modifications or upgrades to the vehicle's electrical system. Whether installing aftermarket accessories, upgrading audio systems, or integrating custom electronics, referencing the schematics ensures proper understanding of existing wiring connections and facilitates seamless integration of new components.

By following these instructions and utilizing 2014 GM wiring schematics effectively, you can gain a deeper understanding of your vehicle's electrical system and address various maintenance, diagnostic, and customization needs with confidence.

Keywords : 2014 GM wiring schematics

0 komentar