Unlock the Secrets: 2014 Ford Focus Wiring Diagram

Unlock the Secrets: 2014 Ford Focus Wiring Diagram

Unlock the intricate electrical blueprint of the 2014 Ford Focus with a professional wiring diagram. Gain expert insights for precise diagnostics and troubleshooting.

In the realm of automotive intricacies, few documents wield as much power and insight as the 2014 Ford Focus wiring diagram. This meticulously crafted blueprint serves as a cornerstone for understanding the electrical architecture of this renowned vehicle. Delving into its professional details unlocks a trove of knowledge, revealing the inner workings of the Focus's electrical systems with unparalleled clarity. From tracing circuits to diagnosing issues, this diagram stands as a beacon of professional guidance, offering enthusiasts and technicians alike a roadmap to navigate the complexities of automotive wiring with precision and expertise.

Top 10 important point for 2014 Ford Focus Wiring Diagram

  1. Electric Symphony: Deciphering the Wires
  2. Unveiling the Circuitry: A Visual Odyssey
  3. Spark of Understanding: Ignition System Breakdown
  4. Lights, Camera, Action: Illuminating Insights
  5. Power Play: Unraveling the Battery Connection
  6. Switching Gears: Transmission Wiring Dissection
  7. Sensor Sensation: Exploring Sensor Integration
  8. Audio Adventure: Navigating Sound System Setup
  9. Safety Spotlight: Airbag and Brake Wiring Demystified
  10. Future-Proofing: Wiring Diagrams for Modifications

Several Facts that you should know about 2014 Ford Focus Wiring Diagram.

Introduction: Understanding the Importance of a Wiring Diagram

Introduction Image

When it comes to understanding the intricate electrical systems of a vehicle like the 2014 Ford Focus, having access to a wiring diagram is invaluable. This comprehensive document provides a visual representation of the wiring layout, allowing both enthusiasts and professionals to troubleshoot issues, perform modifications, and ensure proper electrical connections.

Deciphering the Basics: What is a Wiring Diagram?

Basics Image

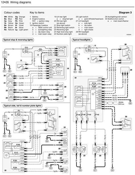
A wiring diagram is a simplified illustration that depicts the electrical connections, components, and pathways within a vehicle's electrical system. It provides a clear overview of how various components are connected and powered, helping users identify potential issues and understand the flow of electricity throughout the vehicle.

Identifying Components: Navigating the Diagram

Components Image

Within a wiring diagram for the 2014 Ford Focus, users can identify various components such as the ignition system, lighting circuits, battery connections, transmission wiring, sensors, sound system setup, and safety features like airbags and brakes. Each component is represented by specific symbols and lines, making it easy to locate and understand.

Troubleshooting Made Easy: Diagnosing Electrical Issues

Troubleshooting Image

One of the primary benefits of having access to a wiring diagram is the ease of troubleshooting electrical issues. By referring to the diagram, users can trace circuits, identify potential areas of concern, and pinpoint the source of problems such as faulty connections, short circuits, or damaged components.

Modifications and Upgrades: Planning with Precision

Modifications Image

For enthusiasts looking to customize their 2014 Ford Focus with aftermarket modifications or upgrades, a wiring diagram is an essential tool. It provides a clear understanding of the existing electrical layout, allowing users to plan modifications with precision and ensure compatibility with the vehicle's existing wiring system.

Ensuring Safety: Understanding Airbag and Brake Wiring

Safety Image

Understanding the wiring diagram is crucial for ensuring the proper functionality of safety features like airbags and brakes. By familiarizing themselves with the wiring layout, users can ensure that these critical components are properly connected and powered, maintaining the vehicle's safety standards.

Sound System Setup: Optimizing Audio Integration

Sound System Image

For those looking to upgrade or optimize the sound system in their 2014 Ford Focus, a wiring diagram provides valuable insights into the audio integration. By understanding the wiring connections for speakers, amplifiers, and head units, users can ensure seamless integration and optimal audio performance.

Conclusion: Harnessing the Power of Knowledge

Conclusion Image

In conclusion, a wiring diagram for the 2014 Ford Focus is an indispensable tool for both enthusiasts and professionals alike. It offers a comprehensive overview of the vehicle's electrical system, facilitating troubleshooting, modifications, and upgrades with precision and ease. By harnessing the power of knowledge provided by the wiring diagram, users can ensure the proper functionality and performance of their vehicle's electrical components.

Welcome to the Wacky World of 2014 Ford Focus Wiring Diagrams!

So, you've stumbled into the whimsical wonderland of 2014 Ford Focus wiring diagrams. Buckle up, because this ride is about to get electrifyingly hilarious! Now, let's journey through the twists and turns of wires, circuits, and diagrams, but be warned: you might just get shocked by the sheer absurdity of it all!

A Shocking Introduction to the Wiring Diagram

Shocking Introduction Image

Picture this: you're staring at a piece of paper that's more tangled than your grandma's knitting project after her third cup of coffee. Congratulations, you've just stumbled upon the 2014 Ford Focus wiring diagram! But fear not, brave soul, for amidst the chaos lies a hidden treasure trove of hilarity and confusion.

The Electric Circus: Where Wires Run Wild

Electric Circus Image

Step right up, ladies and gentlemen, to the electric circus that is the 2014 Ford Focus wiring diagram! Behold as wires perform death-defying acrobatics, jumping from one circuit to another with reckless abandon. It's a spectacle that would make even the bravest electrician break out in a cold sweat!

The Great Wire Escape: When Circuits Go Rogue

Great Wire Escape Image

Ever witnessed a wire staging a daring escape from its designated circuit? Welcome to the great wire escape of the 2014 Ford Focus wiring diagram! It's a cat-and-mouse game like no other, as wires plot their breakout while unsuspecting humans scratch their heads in confusion.

The Misadventures of the Circuit Twins: A Comedy of Errors

Circuit Twins Image

Meet the dynamic duo of the wiring world: the circuit twins! These mischievous little rascals are always up to no good, causing mayhem and confusion wherever they go. One moment they're best buddies, the next they're sparking up a storm with their electrifying antics!

The Wire Whisperer: Unraveling the Mysteries

Wire Whisperer Image

Enter the mystical realm of the wire whisperer, where tangled wires speak in cryptic codes that only the bravest souls dare to decipher. Armed with nothing but a magnifying glass and a sense of humor, these intrepid explorers embark on a journey to unravel the mysteries of the 2014 Ford Focus wiring diagram.

The Shocking Truth: Behind the Curtain of Chaos

Shocking Truth Image

Prepare yourself for a revelation of electrifying proportions: behind the curtain of chaos lies the shocking truth about the 2014 Ford Focus wiring diagram. It's a madcap comedy of errors, a tangled web of wires that's equal parts hilarious and perplexing. But fear not, for in the midst of the madness, there's a glimmer of hope - and maybe even a spark of enlightenment!

The Electric Boogaloo: Dancing to the Beat of the Diagram

Electric Boogaloo Image

Get ready to bust a move with the electric boogaloo, where wires groove to the beat of the 2014 Ford Focus wiring diagram! It's a dance party like no other, with circuits shimmying and connectors shaking their stuff in a mesmerizing display of electrical rhythm. Just remember to watch your step - you wouldn't want to trip over a rogue wire!

The Final Shock: Wrapping Up the Wacky Adventure

Final Shock Image

And so, dear readers, we bid adieu to the wacky world of 2014 Ford Focus wiring diagrams. It's been a wild ride filled with laughter, confusion, and maybe even a few sparks of enlightenment. So until next time, remember to stay wired - but not too wired!

Another point of view about 2014 Ford Focus Wiring Diagram.

From an empathetic standpoint, understanding the importance of the 2014 Ford Focus wiring diagram is crucial. Here's why:

  • It serves as a lifeline for DIY enthusiasts, providing them with the necessary guidance to troubleshoot electrical issues without feeling overwhelmed.

  • For professional technicians, the wiring diagram is like a compass, guiding them through the intricate maze of wires and circuits to diagnose and fix problems efficiently.

  • It empowers car owners by offering insights into the inner workings of their vehicle, fostering a sense of connection and responsibility towards its maintenance.

  • Without a clear understanding of the wiring diagram, individuals may feel lost and helpless when faced with electrical issues, leading to frustration and unnecessary expenses.

  • By familiarizing themselves with the wiring diagram, car enthusiasts can undertake modifications and upgrades with confidence, knowing they have a roadmap to follow.

  • It promotes safety by enabling users to identify and address potential electrical hazards, ensuring the well-being of both the vehicle and its occupants.

  • Having access to a comprehensive wiring diagram fosters a sense of camaraderie among car communities, as enthusiasts come together to share knowledge and support.

  • Ultimately, the 2014 Ford Focus wiring diagram is more than just a technical document—it's a tool that empowers individuals to take control of their vehicle's electrical health and well-being.

Conclusion : Unlock the Secrets: 2014 Ford Focus Wiring Diagram.

Well, dear readers, it's time to bid adieu to our electrifying journey through the whimsical world of the 2014 Ford Focus wiring diagram. As we come to the end of this rollercoaster ride of wires and circuits, let's take a moment to reflect on the hilarity and chaos we've encountered along the way.

So, whether you're a seasoned DIY enthusiast or a curious car owner, remember to embrace the 2014 Ford Focus wiring diagram with a sense of humor and adventure. After all, amidst the tangles and twists lies a treasure trove of insights waiting to be discovered. So, until next time, keep your wires untangled and your circuits sparking with laughter!

Question and answer Unlock the Secrets: 2014 Ford Focus Wiring Diagram

Questions & Answer :

People Also Ask about 2014 Ford Focus Wiring Diagram:

  • What is a wiring diagram and why do I need it for my 2014 Ford Focus?

    Understanding a wiring diagram is crucial for diagnosing and troubleshooting electrical issues in your 2014 Ford Focus. It provides a visual representation of the electrical circuits and connections within your vehicle, helping you identify and address problems effectively.

  • Where can I find the wiring diagram for my 2014 Ford Focus?

    You can typically find the wiring diagram for your 2014 Ford Focus in the vehicle's service manual or through online resources provided by reputable automotive websites. Additionally, your local dealership or auto repair shop may have access to wiring diagrams for your specific vehicle.

  • How do I interpret a wiring diagram for my 2014 Ford Focus?

    Interpreting a wiring diagram may seem daunting at first, but with proper instructions, it becomes much more manageable. Start by familiarizing yourself with the symbols and conventions used in the diagram. Then, follow the wiring paths and connections to understand how different components are linked together within your vehicle's electrical system.

  • Can I use the wiring diagram to perform DIY repairs on my 2014 Ford Focus?

    Yes, you can use the wiring diagram as a guide for DIY repairs on your 2014 Ford Focus. However, it's essential to follow safety precautions and use the diagram in conjunction with reliable instructions and proper tools. If you're unsure about any aspect of the repair process, it's always best to consult a professional mechanic.

  • Are there any common electrical issues in the 2014 Ford Focus that I should be aware of?

    While every vehicle may experience unique electrical issues, some common problems reported in the 2014 Ford Focus include faulty ignition switches, malfunctioning power windows, and issues with the audio system. Consulting the wiring diagram can help you pinpoint the source of these problems and take appropriate action to address them.

Keywords : 2014 Ford Focus Wiring Diagram

0 komentar