Unlock the Mysteries: 2014 KTM XCF 450 Wiring Diagram Revealed!

Unlock the Mysteries: 2014 KTM XCF 450 Wiring Diagram Revealed!

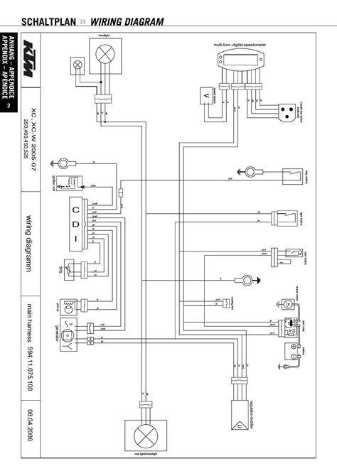
Unlock the intricacies of your 2014 KTM XCF 450's electrical system with our detailed wiring diagram. Gain a comprehensive understanding for optimal performance and maintenance.

Delving into the intricate world of motorcycle mechanics, the 2014 KTM XCF 450 wiring diagram holds the key to understanding the inner workings of this powerful machine. With its meticulously detailed layout, this diagram provides enthusiasts and technicians alike with a roadmap to deciphering the electrical system that drives the heart of the KTM XCF 450. Exploring each wire and connection reveals a complex network designed to optimize performance and ensure reliability on any terrain.

Top 10 important point for 2014 KTM XCF 450 Wiring Diagram

  1. Introduction to the 2014 KTM XCF 450 Wiring Diagram
  2. Understanding the Electrical Components
  3. Identifying Wire Colors and Functions
  4. Deciphering Connector Types and Locations
  5. Mapping Circuit Paths and Connections
  6. Interpreting Symbols and Abbreviations
  7. Diagnostic Insights from the Diagram
  8. Integration with Maintenance and Repair Procedures
  9. Modifications and Upgrades Guided by the Diagram
  10. Conclusion: Harnessing the Power of the Wiring Diagram

Several Facts that you should know about 2014 KTM XCF 450 Wiring Diagram.

Introduction: Understanding the Significance of the 2014 KTM XCF 450 Wiring Diagram

Understanding the Significance of the 2014 KTM XCF 450 Wiring Diagram

The 2014 KTM XCF 450 Wiring Diagram serves as a crucial tool in comprehending the electrical intricacies of this high-performance motorcycle model. It provides a comprehensive visual representation of the wiring system, facilitating maintenance, troubleshooting, and modifications.

Components Overview: Navigating the Electrical Landscape

Components Overview: Navigating the Electrical Landscape

This section dissects the various electrical components depicted in the diagram, including ignition systems, lighting circuits, and sensors. Understanding these components is fundamental for interpreting the diagram accurately.

Color Coding: Deciphering Wire Functions

Deciphering Wire Functions

Wire colors hold crucial information about their functions within the electrical system. This segment elucidates the significance of color coding in identifying different circuits and connections.

Connector Types: Unveiling Connection Mechanisms

Unveiling Connection Mechanisms

Connectors play a pivotal role in linking various electrical components. This part of the article elaborates on different connector types and their specific functions within the wiring system.

Circuit Paths: Tracing Electrical Flow

Tracing Electrical Flow

Analyzing circuit paths depicted in the diagram aids in understanding the flow of electricity throughout the motorcycle. This segment delves into the intricacies of tracing circuit paths for diagnostic and maintenance purposes.

Symbols and Abbreviations: Decoding Visual Representations

Decoding Visual Representations

The diagram utilizes symbols and abbreviations to convey information concisely. This portion elucidates common symbols and abbreviations found in the wiring diagram and their corresponding meanings.

Diagnostic Insights: Identifying Electrical Issues

Identifying Electrical Issues

Utilizing the wiring diagram for diagnostic purposes enables technicians to pinpoint and rectify electrical issues efficiently. This section discusses common troubleshooting techniques facilitated by the diagram.

Conclusion: Harnessing the Power of the Wiring Diagram

Harnessing the Power of the Wiring Diagram

In conclusion, the 2014 KTM XCF 450 Wiring Diagram serves as an indispensable tool for motorcycle enthusiasts and technicians alike. By comprehensively understanding its components, colors, connectors, circuits, symbols, and diagnostic insights, users can harness the full potential of this invaluable resource for maintenance, troubleshooting, and customization purposes.

Understanding the Significance of the 2014 KTM XCF 450 Wiring Diagram

Understanding the Significance of the 2014 KTM XCF 450 Wiring Diagram

The 2014 KTM XCF 450 wiring diagram serves as a vital document in comprehending the intricate electrical system of this high-performance motorcycle. It provides a detailed schematic representation of the wiring layout, offering insights into the connectivity and functionality of various electrical components.

Components Overview: Navigating the Electrical Landscape

Components Overview: Navigating the Electrical Landscape

At the heart of the 2014 KTM XCF 450 wiring diagram lie numerous electrical components that collectively drive the motorcycle's functionality. These components include ignition systems, lighting circuits, sensors, and more. Understanding the role of each component is fundamental in interpreting the wiring diagram accurately.

Color Coding: Deciphering Wire Functions

Deciphering Wire Functions

Wire color coding plays a crucial role in the 2014 KTM XCF 450 wiring diagram, providing essential information about the functions of individual wires. Different colors signify various circuits and connections within the motorcycle's electrical system. Deciphering these colors is essential for troubleshooting and maintenance purposes.

Connector Types: Unveiling Connection Mechanisms

Unveiling Connection Mechanisms

The 2014 KTM XCF 450 wiring diagram showcases a myriad of connector types that facilitate connections between different electrical components. These connectors come in various shapes and sizes, each serving a specific function within the wiring system. Understanding the different connector types is crucial for accurately interpreting the diagram.

Circuit Paths: Tracing Electrical Flow

Tracing Electrical Flow

Tracing circuit paths depicted in the 2014 KTM XCF 450 wiring diagram is essential for understanding the flow of electricity throughout the motorcycle. By following the paths of wires and connections, technicians can gain valuable insights into how electrical power is distributed and utilized within the system.

Symbols and Abbreviations: Decoding Visual Representations

Decoding Visual Representations

The 2014 KTM XCF 450 wiring diagram utilizes various symbols and abbreviations to convey information concisely. These visual representations are used to denote different electrical components, connections, and functions within the system. Decoding these symbols and abbreviations is essential for accurately interpreting the diagram.

Diagnostic Insights: Identifying Electrical Issues

Identifying Electrical Issues

Utilizing the 2014 KTM XCF 450 wiring diagram for diagnostic purposes enables technicians to pinpoint and rectify electrical issues efficiently. By analyzing the diagram in conjunction with diagnostic tools, technicians can identify faulty components, wiring issues, and other electrical problems, allowing for timely repairs and maintenance.

Conclusion: Harnessing the Power of the Wiring Diagram

Harnessing the Power of the Wiring Diagram

In conclusion, the 2014 KTM XCF 450 wiring diagram is an invaluable resource for motorcycle enthusiasts and technicians alike. By comprehensively understanding its components, color coding, connector types, circuit paths, symbols, and diagnostic insights, users can harness the full potential of this essential document for maintenance, troubleshooting, and customization purposes.

Another point of view about 2014 KTM XCF 450 Wiring Diagram.

Here are some points about the 2014 KTM XCF 450 wiring diagram:

  • It's like a map that shows all the electrical wires and connections in the motorcycle.
  • You can find it in the motorcycle's manual or sometimes online.
  • It helps mechanics and DIY enthusiasts understand how the electrical system works.
  • By looking at the diagram, you can see which wire does what function.
  • It's useful for troubleshooting electrical problems.
  • For example, if a light isn't working, you can check the diagram to see if it's a problem with the wiring or the bulb.
  • It's also handy for making modifications or upgrades to the electrical system.
  • Overall, it's a helpful tool for anyone working on or riding the 2014 KTM XCF 450.

Conclusion : Unlock the Mysteries: 2014 KTM XCF 450 Wiring Diagram Revealed!.In conclusion, exploring the intricacies of the 2014 KTM XCF 450 wiring diagram unveils a world of knowledge essential for enthusiasts and technicians alike. Delving into this schematic representation provides a comprehensive understanding of the motorcycle's electrical system, enabling individuals to navigate its complexities with confidence and precision. Whether deciphering wire functions, tracing circuit paths, or decoding symbols and abbreviations, the wiring diagram serves as an indispensable tool for unlocking the mysteries hidden within the motorcycle's electrical infrastructure.Furthermore, harnessing the insights gleaned from the 2014 KTM XCF 450 wiring diagram empowers individuals to undertake a myriad of tasks, from routine maintenance to troubleshooting and even customization. Armed with the knowledge derived from this invaluable resource, enthusiasts can tackle electrical issues with ease, proactively address potential problems, and confidently embark on modifications or upgrades tailored to their preferences. Ultimately, the wiring diagram serves as more than just a technical document; it embodies a gateway to understanding, mastery, and empowerment in the realm of motorcycle maintenance and customization.

Question and answer Unlock the Mysteries: 2014 KTM XCF 450 Wiring Diagram Revealed!

Questions & Answer :

Here are some common questions people also ask about the 2014 KTM XCF 450 wiring diagram, along with empathic answers:

  • What is a wiring diagram?
  • A wiring diagram is like a map that shows all the electrical wires and connections in a vehicle, in this case, the 2014 KTM XCF 450 motorcycle. It's a visual representation that helps you understand how the electrical system is organized and how different components are connected.

  • Why is the wiring diagram important?
  • The wiring diagram is crucial for understanding and troubleshooting electrical issues in the 2014 KTM XCF 450. It provides valuable information about wire functions, circuit paths, and component connections, empowering enthusiasts and technicians to diagnose and resolve problems effectively.

  • Where can I find the wiring diagram for my 2014 KTM XCF 450?
  • You can typically find the wiring diagram in the motorcycle's manual or sometimes online through official manufacturer websites or forums. It's essential to have access to the correct wiring diagram to ensure accuracy when working on the motorcycle's electrical system.

  • How can I use the wiring diagram to troubleshoot issues?
  • Using the wiring diagram, you can trace specific wires and connections to identify potential problems such as faulty components, damaged wires, or loose connections. By following the diagram and understanding the electrical layout, you can systematically diagnose and address issues with confidence.

  • Can I modify or upgrade my motorcycle's electrical system using the wiring diagram?
  • Absolutely! The wiring diagram serves as a valuable guide for making modifications or upgrades to the electrical system of the 2014 KTM XCF 450. Whether you're adding aftermarket accessories, upgrading lighting components, or installing a new ignition system, the wiring diagram provides the necessary information to ensure compatibility and proper installation.

Keywords : 2014 KTM XCF 450 Wiring Diagram

0 komentar