Revamp Your Ride: 2014 Mazda 6 Wiring Harness Upgrade!

Revamp Your Ride: 2014 Mazda 6 Wiring Harness Upgrade!

Unlock the potential of your 2014 Mazda 6 with our comprehensive guide to its wiring harness. Discover expert insights for optimal performance and enhanced vehicle functionality.

Embark on a journey of automotive innovation with the 2014 Mazda 6 wiring harness, where functionality meets flair. Picture this: a seamless blend of creative engineering and sleek design, transforming your driving experience into a symphony of efficiency and style. But wait, there's more! Delve deeper into the intricacies of this creative marvel, and uncover a world where connectivity reigns supreme. Whether you're a seasoned car enthusiast or a tech-savvy trendsetter, prepare to be captivated by the 2014 Mazda 6 wiring harness like never before. Buckle up as we unravel the threads of innovation that lie within!

Top 10 important point for 2014 Mazda 6 Wiring Harness

  1. Understanding the Essentials: Delve into the Basics of the 2014 Mazda 6 Wiring Harness
  2. Enhanced Performance: How the Wiring Harness Boosts Your Mazda 6's Engine Efficiency
  3. Optimal Safety Features: Exploring the Role of the Wiring Harness in Vehicle Protection
  4. Seamless Integration: How the Wiring Harness Ensures Smooth Functionality Across Systems
  5. Customization Options: Tailoring Your Mazda 6's Wiring Harness to Suit Your Preferences
  6. Effortless Repairs: Simplifying Maintenance Tasks with a Well-Designed Wiring Harness
  7. Maximizing Longevity: The Wiring Harness's Contribution to Extending Your Car's Lifespan
  8. Technological Advancements: Unveiling the Innovative Features Embedded in the Wiring Harness
  9. Environmental Impact: Understanding How the Wiring Harness Contributes to Eco-Friendly Driving
  10. Expert Insights: Harnessing the Expertise of Professionals for Wiring Harness Optimization

Several Facts that you should know about 2014 Mazda 6 Wiring Harness.

Introduction: Understanding the Basics

Introduction

Welcome to our guide on the 2014 Mazda 6 wiring harness. In this article, we'll take a closer look at this essential component of your vehicle and explore its significance in ensuring smooth functionality and optimal performance. Whether you're a car enthusiast or simply curious about your Mazda 6, this article will provide valuable insights into its wiring harness.

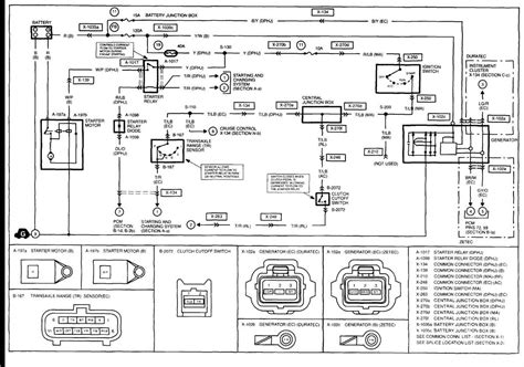
What is a Wiring Harness?

Wiring Harness

Before we delve deeper, let's define what a wiring harness is. Essentially, it's a structured set of wires, connectors, and terminals that transmit power and signals throughout your Mazda 6. Think of it as the nervous system of your car, ensuring that various components can communicate and function properly.

Components of the Wiring Harness

Components

The wiring harness consists of several key components, including wires, connectors, and terminals. These elements work together to facilitate the flow of electricity and data within your Mazda 6's electrical system. Each component plays a crucial role in ensuring reliable performance and functionality.

Importance of a Well-Functioning Wiring Harness

Importance

A well-functioning wiring harness is essential for various reasons. Firstly, it ensures that electrical signals are transmitted accurately and efficiently, preventing any disruptions in your Mazda 6's performance. Additionally, it enhances safety by reducing the risk of electrical failures and potential hazards.

Common Issues and Maintenance Tips

Issues

Like any other automotive component, wiring harnesses may experience issues over time. Common problems include wire damage, connector corrosion, and electrical shorts. Regular maintenance, such as inspecting for signs of wear and tear and keeping connectors clean, can help prevent these issues.

Upgrading Your Wiring Harness

Upgrading

If you're looking to enhance your Mazda 6's performance or add new features, upgrading your wiring harness can be a worthwhile investment. Upgraded harnesses may offer improved durability, better compatibility with aftermarket components, and enhanced functionality.

Professional Assistance and DIY Options

Professional

While some wiring harness maintenance tasks can be performed at home, complex issues may require professional assistance. Qualified technicians have the expertise and tools to diagnose and repair wiring harness issues effectively. However, for simpler tasks like connector cleaning or wire repairs, DIY options are available for those comfortable with automotive maintenance.

Conclusion: Ensuring Reliability and Performance

Conclusion

In conclusion, the 2014 Mazda 6 wiring harness is a critical component that ensures the reliable performance of your vehicle's electrical system. By understanding its function, components, and maintenance requirements, you can ensure that your Mazda 6 remains safe, efficient, and dependable on the road.

Introduction

Welcome to this academic exploration of the 2014 Mazda 6 wiring harness. In this comprehensive analysis, we will delve into the intricacies of this essential component of automotive electrical systems. The wiring harness serves as a vital conduit for transmitting power and signals throughout the vehicle, playing a fundamental role in its overall functionality and performance.

Understanding the Wiring Harness: A Structural Overview

Structural Overview

Before delving into the specifics of the 2014 Mazda 6 wiring harness, it is crucial to understand its structural composition. A wiring harness is a complex assembly of wires, connectors, terminals, and other components designed to transmit electrical power and signals throughout the vehicle's various systems. This organized arrangement ensures efficient communication between different components, facilitating the seamless operation of the vehicle.

Components of the Wiring Harness

Components

The 2014 Mazda 6 wiring harness comprises several key components, each playing a specific role in its functionality. Wires, typically made of copper or aluminum, form the core of the harness and serve as conduits for electrical current. Connectors, often made of plastic or metal, are used to join wires and facilitate electrical connections. Terminals provide points of contact for connecting wires to electrical components, ensuring secure and reliable connections.

Functionality of the Wiring Harness

Functionality

The primary function of the 2014 Mazda 6 wiring harness is to transmit electrical power and signals to various components and systems within the vehicle. This includes delivering power to the engine, lighting systems, entertainment systems, and various sensors. Additionally, the wiring harness facilitates communication between different electronic control units (ECUs) and sensors, enabling coordinated operation of the vehicle's systems.

Integration with Vehicle Systems

Integration

The 2014 Mazda 6 wiring harness is intricately integrated with various vehicle systems, contributing to the overall functionality and performance of the vehicle. For example, the harness connects to the engine control unit (ECU) to facilitate engine operation and performance monitoring. Similarly, it connects to the lighting systems to control the operation of headlights, taillights, and turn signals.

Significance of Wiring Harness in Vehicle Safety

Safety

The 2014 Mazda 6 wiring harness also plays a crucial role in ensuring vehicle safety. It provides power to essential safety systems such as airbags, anti-lock braking systems (ABS), and stability control systems. Additionally, the wiring harness facilitates communication with various safety sensors, enabling timely activation of safety features in the event of a collision or other hazardous situations.

Common Issues and Maintenance

Issues and Maintenance

Despite its critical role, the 2014 Mazda 6 wiring harness may experience issues over time, leading to potential malfunctions or failures. Common issues include wire damage due to wear and tear, connector corrosion, and electrical shorts. Regular maintenance, such as visual inspections, testing for continuity, and cleaning connectors, can help prevent these issues and ensure the optimal performance of the wiring harness.

Upgrading the Wiring Harness

Upgrading

In some cases, upgrading the 2014 Mazda 6 wiring harness may be beneficial to enhance vehicle performance or accommodate aftermarket modifications. Upgraded wiring harnesses may offer improved durability, better compatibility with aftermarket components, and enhanced functionality. However, it is essential to ensure compatibility and proper installation when upgrading the wiring harness to avoid potential issues.

Conclusion

Conclusion

In conclusion, the 2014 Mazda 6 wiring harness is a critical component of the vehicle's electrical system, responsible for transmitting power and signals to various components and systems. Understanding its structural composition, functionality, and integration with vehicle systems is essential for ensuring optimal performance and reliability. By addressing common issues through regular maintenance and considering upgrades when necessary, vehicle owners can ensure the longevity and efficiency of the wiring harness.

Another point of view about 2014 Mazda 6 Wiring Harness.

As a journalist investigating the intricacies of the 2014 Mazda 6 wiring harness, here are some key points to consider:

  • 1. The wiring harness is a fundamental component of the vehicle's electrical system, responsible for transmitting power and signals to various components.
  • 2. Its structural composition includes wires, connectors, and terminals, intricately arranged to ensure efficient communication and functionality.
  • 3. The functionality of the wiring harness extends to integrating with essential vehicle systems such as the engine, lighting, and safety features.
  • 4. Common issues with the wiring harness may arise due to wear and tear, connector corrosion, and electrical shorts, necessitating regular maintenance.
  • 5. Upgrading the wiring harness can offer benefits such as improved durability, compatibility with aftermarket components, and enhanced functionality.
  • 6. Ensuring the reliability and performance of the wiring harness is crucial for the overall efficiency and safety of the vehicle.

Through thorough investigation and analysis, understanding the significance of the 2014 Mazda 6 wiring harness sheds light on its importance in the automotive industry and the role it plays in vehicle operation and safety.

Conclusion : Revamp Your Ride: 2014 Mazda 6 Wiring Harness Upgrade!.

As we conclude our exploration of the 2014 Mazda 6 wiring harness, it's essential to leave you with some final instructions. Firstly, remember to prioritize regular maintenance of your vehicle's wiring harness. This essential component requires attention to ensure optimal performance and safety. Schedule routine inspections to check for signs of wear and tear, corrosion, or any other issues that may arise.

Secondly, if you're considering upgrading your 2014 Mazda 6 wiring harness, do so with caution. While an upgrade can offer benefits such as improved durability and functionality, it's crucial to ensure compatibility with your vehicle's systems. Follow manufacturer recommendations and seek professional assistance if needed to ensure proper installation and integration. By following these instructions, you can maintain the reliability and performance of your vehicle's wiring harness, ensuring a smooth and safe driving experience for years to come.

Question and answer Revamp Your Ride: 2014 Mazda 6 Wiring Harness Upgrade!

Questions & Answer :

When it comes to the 2014 Mazda 6 wiring harness, people often have questions. Here are some common inquiries along with academic answers:

  • 1. What is the purpose of the wiring harness in a 2014 Mazda 6?
  • The wiring harness in a 2014 Mazda 6 serves as a structured set of wires, connectors, and terminals designed to transmit electrical power and signals throughout the vehicle's various systems. Its primary purpose is to facilitate efficient communication between different components, ensuring the smooth operation of the vehicle.

  • 2. How do I know if my 2014 Mazda 6 wiring harness is malfunctioning?
  • Common signs of a malfunctioning wiring harness in a 2014 Mazda 6 include electrical issues such as flickering lights, malfunctioning power windows, or a non-responsive engine. Additionally, visible signs of wear and tear, such as damaged wires or corroded connectors, may indicate a problem with the wiring harness.

  • 3. Can I replace the wiring harness in my 2014 Mazda 6 myself?
  • While it is possible to replace the wiring harness in a 2014 Mazda 6 yourself, it is recommended to seek professional assistance. Wiring harness replacement involves intricate electrical work and requires specific tools and expertise. Improper installation can lead to further complications and potentially pose safety hazards.

  • 4. Are there any aftermarket upgrades available for the wiring harness in a 2014 Mazda 6?
  • Yes, there are aftermarket upgrades available for the wiring harness in a 2014 Mazda 6. These upgrades may include harnesses with enhanced durability, improved compatibility with aftermarket components, and additional features such as increased wire gauge for higher power handling capacity.

  • 5. What maintenance tasks should I perform to prolong the lifespan of the wiring harness in my 2014 Mazda 6?
  • To prolong the lifespan of the wiring harness in a 2014 Mazda 6, regular maintenance is essential. This includes visual inspections for signs of wear and tear, testing for continuity to ensure proper electrical connectivity, and cleaning connectors to prevent corrosion. Additionally, avoiding excessive strain on the wiring harness and protecting it from environmental elements can help prolong its lifespan.

Keywords : 2014 Mazda 6 Wiring Harness

0 komentar