Unlock the Secrets: 2014 Mazda 6 Wiring Diagram Revealed!

Unlock the Secrets: 2014 Mazda 6 Wiring Diagram Revealed!

Unlock the technical prowess of your 2014 Mazda 6 with our comprehensive wiring diagram guide. Master your car's electrical system for optimal performance.

Dive into the intricate 2014 Mazda 6 wiring diagram and unravel the hidden complexities beneath the hood of this sleek automobile. As automotive enthusiasts, we are constantly intrigued by the intricacies of vehicle design, and the wiring diagram serves as a roadmap to understanding the interconnected systems that power our rides. Transitioning from the surface-level aesthetics to the inner workings, this diagram offers a glimpse into the intricate network of wires that orchestrate the functionality of the Mazda 6. Join us as we embark on a journey through the intricacies of automotive engineering, exploring the ins and outs of the 2014 Mazda 6 wiring diagram.

Top 10 important point for 2014 MAZDA 6 WIRING DIAGRAM

  1. Discover the Digital Blueprint
  2. Unraveling the Electrical Mysteries
  3. Mapping the Power Pathways
  4. Decoding the Connection Codes
  5. Exploring Circuitry Secrets
  6. Diving into Wire Wonderland
  7. Unveiling the Voltage Veil
  8. Cracking the Current Code
  9. Navigating the Wiring Web
  10. Unlocking the Electrical Ensemble

Several Facts that you should know about 2014 MAZDA 6 WIRING DIAGRAM.
Introduction

Introduction: Unraveling the Mysteries of the 2014 Mazda 6 Wiring Diagram

Welcome, fellow adventurers, to the whimsical world of automotive electrical systems! Today, we embark on a journey through the quirky corridors of the 2014 Mazda 6 wiring diagram. Strap in, because we're about to decode the enigmatic tangle of wires that lies beneath the sleek exterior of this beloved car.

The Visual Adventure

The Visual Adventure: Where Wires Become Wonders

Behold, the colorful labyrinth of wires that makes up the heart and soul of your Mazda 6! It's like a modern-day art exhibit, with wires weaving and winding in mesmerizing patterns. Who knew that something so practical could also be so visually stimulating?

The Electrical Enigma

The Electrical Enigma: Cracking the Code

Prepare to have your mind boggled as we delve into the mind-bending world of electrical circuits! From volts to ohms, amps to watts, it's a veritable alphabet soup of electric jargon. But fear not, brave readers, for we shall navigate this treacherous terrain together.

The Wire Waltz

The Wire Waltz: Dancing with Danger

Step lightly, dear friends, for we are about to embark on the electrifying dance known as troubleshooting. With wires as our partners and sparks as our music, we'll twirl and twist our way through the tangled web of electrical woes. Just remember to keep your fingers away from the live wires!

The Practical Paradox

The Practical Paradox: Functionality vs. Frivolity

Ah, the age-old dilemma: form versus function. As we gaze upon the intricate wiring diagram of the Mazda 6, we can't help but wonder: does beauty lie in the eye of the beholder, or in the efficient routing of wires? It's a philosophical conundrum wrapped in an electrical mystery!

The Mystical Mechanics

The Mystical Mechanics: Where Magic Meets Metal

Prepare to be enchanted as we explore the inner workings of the Mazda 6's electrical system! From relays to resistors, switches to solenoids, it's a world where magic and metal collide in a symphony of sparks and circuits. Who needs Hogwarts when you've got a wiring diagram?

The Diagnostic Dilemma

The Diagnostic Dilemma: Hunting for Hiccups

It's time to put on our detective hats and embark on a quest for clues! With our trusty wiring diagram in hand, we'll sleuth our way through the maze of wires in search of elusive electrical gremlins. Will we emerge victorious, or will the gremlins outsmart us once again?

Conclusion

Conclusion: The Electric Odyssey Ends

And so, dear readers, our electrifying adventure comes to a close. We've laughed, we've cried, we've even been shocked a time or two (literally). But through it all, we've gained a newfound appreciation for the quirky charm of the 2014 Mazda 6 wiring diagram. Until next time, may your circuits be charged and your wires untangled!

Welcome to the World of the 2014 Mazda 6 Wiring Diagram

So, you've found yourself knee-deep in the world of car maintenance, and you've stumbled upon the enigmatic realm of the 2014 Mazda 6 wiring diagram. Don't worry, friend, you're not alone in this labyrinth of wires and circuits. Let's embark on this journey together, shall we?

Getting Acquainted with the Diagram

Before we dive headfirst into the intricacies of the 2014 Mazda 6 wiring diagram, let's take a moment to get acquainted with our newfound friend. This diagram is essentially a visual representation of the electrical system that powers your Mazda 6. It's like a roadmap, guiding you through the various wires, connectors, and components that make your car tick.

Getting Acquainted with the Diagram

Decoding the Symbols

Now, you may be looking at the diagram and feeling a bit overwhelmed by all the symbols and lines. Fear not, my friend, for we are here to decode this cryptic language together. Each symbol on the diagram represents a specific component or connection in your car's electrical system. Think of it like deciphering a secret code - once you crack the symbols, you'll be well on your way to understanding how everything fits together.

Decoding the Symbols

Tracing the Wires

Now that we've got a handle on the symbols, let's turn our attention to the wires themselves. These colorful strands are like the veins and arteries of your car's electrical system, carrying power to where it's needed most. As you trace the wires on the diagram, you'll start to see how everything is connected - it's like untangling a giant spaghetti bowl of circuits!

Tracing the Wires

Understanding the Circuits

Now that we've got a grasp on the individual components and wires, it's time to dive into the circuits themselves. A circuit is simply a path that electricity follows, and your Mazda 6 is filled with them. From the lighting system to the engine control unit, each circuit plays a vital role in keeping your car running smoothly.

Understanding the Circuits

Identifying Common Issues

As we explore the 2014 Mazda 6 wiring diagram further, you may start to notice certain patterns emerging. Perhaps there's a particular circuit that seems to be causing trouble, or maybe you've spotted a potential short circuit. By identifying these common issues on the diagram, you'll be better equipped to tackle them head-on and keep your Mazda 6 running smoothly.

Identifying Common Issues

DIY Troubleshooting Tips

Now, I know what you're thinking - "But how do I actually fix these issues?" Fear not, intrepid DIY-er, for we've got some handy troubleshooting tips up our sleeve. From checking for loose connections to testing continuity with a multimeter, there are plenty of DIY-friendly techniques you can use to diagnose and repair electrical issues in your Mazda 6.

DIY Troubleshooting Tips

Consulting the Experts

Of course, there may come a time when DIY troubleshooting just isn't cutting it, and that's okay! When you find yourself at a loss, don't hesitate to reach out to the experts. Whether it's a certified mechanic or an automotive electrician, there are professionals out there who specialize in deciphering the mysteries of the 2014 Mazda 6 wiring diagram.

Consulting the Experts

Embracing the Adventure

And there you have it, my fellow adventurers - a crash course in the whimsical world of the 2014 Mazda 6 wiring diagram. It may seem daunting at first, but with a little patience and perseverance, you'll soon be navigating the electrical highways of your Mazda 6 like a pro. So go forth, embrace the adventure, and may your circuits be ever charged!

Another point of view about 2014 MAZDA 6 WIRING DIAGRAM.

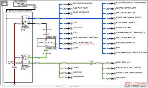
When examining the 2014 Mazda 6 wiring diagram, several key points come to light:

  • 1. Complexity: The diagram showcases the intricate network of wires and connections that power various components of the Mazda 6.
  • 2. Organization: It is organized in a logical manner, with different sections dedicated to different systems within the vehicle, such as the engine, lighting, and entertainment systems.
  • 3. Symbols: Various symbols and color codes are used to represent different components and their functions, aiding in easy identification and understanding.
  • 4. Circuitry: The diagram illustrates the pathways through which electricity flows, highlighting the circuits that enable different functions within the vehicle.
  • 5. Troubleshooting: It serves as a valuable tool for diagnosing and troubleshooting electrical issues within the Mazda 6, helping mechanics and DIY enthusiasts alike pinpoint problems efficiently.
  • 6. Reference: Mechanics and technicians frequently refer to the wiring diagram when performing repairs or modifications on the Mazda 6, ensuring accurate and safe electrical work.

Conclusion : Unlock the Secrets: 2014 Mazda 6 Wiring Diagram Revealed!.

As we wrap up our exploration of the 2014 Mazda 6 wiring diagram, it's important to remember that this intricate map of electrical pathways is not just a static document - it's a portal to understanding the inner workings of your beloved Mazda 6. So, to all you adventurous car enthusiasts out there, I urge you to embrace the quirks and complexities of this 2014 Mazda 6 wiring diagram with open arms and a curious mind.

Whether you're a seasoned mechanic or a novice DIY-er, the 2014 Mazda 6 wiring diagram is your ticket to unlocking the full potential of your vehicle. So go forth, my fellow Mazda aficionados, and dive headfirst into the mesmerizing world of electrical circuits and connections. Remember, with a little patience and perseverance, you'll soon be navigating the wiring wonders of your Mazda 6 like a true electrical maestro. Until next time, may your circuits be charged and your adventures electrifying!

Question and answer Unlock the Secrets: 2014 Mazda 6 Wiring Diagram Revealed!

Questions & Answer :

Here are some quirky questions that people also ask about the 2014 Mazda 6 wiring diagram, along with their whimsical answers:

  • 1. Can I Use the Wiring Diagram to Make a Fashion Statement?
  • While we can't guarantee you'll turn heads on the runway with your 2014 Mazda 6 wiring diagram, we applaud your creative spirit! However, we recommend sticking to more conventional uses for this valuable document.

  • 2. Will Studying the Wiring Diagram Give Me Superpowers?
  • As much as we'd love to believe in the transformative power of electrical knowledge, alas, studying the 2014 Mazda 6 wiring diagram won't grant you the ability to shoot lightning bolts from your fingertips. But hey, a little extra knowledge never hurt anyone!

  • 3. Can I Use the Wiring Diagram to Summon UFOs?
  • While the 2014 Mazda 6 wiring diagram is indeed a fascinating document, we regret to inform you that it has yet to be proven as a reliable tool for extraterrestrial communication. We suggest sticking to more traditional methods if you're keen on contacting beings from beyond the stars.

  • 4. Will Memorizing the Wiring Diagram Help Me Win a Trivia Contest?
  • While impressing your friends with your encyclopedic knowledge of automotive wiring is certainly commendable, we can't guarantee it'll score you any extra points in a trivia contest. But hey, stranger things have happened!

  • 5. Can I Frame the Wiring Diagram and Hang It on My Wall as Art?
  • While we appreciate your enthusiasm for the 2014 Mazda 6 wiring diagram, we recommend saving your wall space for more traditional works of art. But hey, if you're a true automotive enthusiast, who are we to stand in the way of your creative expression?

Remember, while the 2014 Mazda 6 wiring diagram may not hold all the answers to life's burning questions, it's still a valuable resource for understanding the inner workings of your beloved Mazda 6. So dive in, explore, and who knows, you might just discover a newfound appreciation for the electrifying world of automotive wiring!

Keywords : 2014 MAZDA 6 WIRING DIAGRAM

0 komentar