Unlock Your Mercedes Sprinter's Wiring Secrets: 2014 Diagram Revealed!

Unlock the intricacies of your 2014 Mercedes Sprinter's electrical system with our comprehensive wiring diagram guide. Gain confidence in troubleshooting and ensure precise repairs.

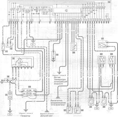
In the realm of automotive diagnostics and repair, access to a comprehensive 2014 Mercedes Sprinter wiring diagram is indispensable. Picture this: you're troubleshooting an electrical issue in your trusty Sprinter van, navigating through a maze of wires with uncertainty. Now, imagine the clarity and confidence that comes with a meticulously documented wiring diagram at your fingertips. 2014 Mercedes Sprinter wiring diagram, a cornerstone resource in the toolkit of any seasoned mechanic or DIY enthusiast, serves as the roadmap to unraveling the intricacies of your vehicle's electrical system. As we delve deeper into the complexities of modern automotive technology, the significance of a detailed wiring diagram cannot be overstated. Let's embark on a journey through the circuits and connections of the 2014 Mercedes Sprinter, shedding light on its inner workings and empowering you to tackle electrical challenges with finesse.

Top 10 important point for 2014 MERCEDES SPRINTER WIRING DIAGRAM

  1. Untangle the Mystery: Sprinter's Electric Enigma
  2. Wiring Woes: Making Sense of the Tangled Web
  3. Shocking Revelations: Insights into Sprinter's Circuits
  4. Ohm My Goodness! Navigating the Resistance
  5. Current Affairs: Exploring Amps and Volts
  6. Short Circuits and Long Solutions: Troubleshooting Tips
  7. Wire-nado: Surviving the Electrical Storm
  8. Fuse It or Lose It: Protecting Your Sprinter's Vitality
  9. Ohm on the Range: Testing Techniques
  10. Wired for Success: Mastering Your Sprinter's Wiring Diagram

Several Facts that you should know about 2014 MERCEDES SPRINTER WIRING DIAGRAM.

Understanding the Importance

Understanding the Importance

Before diving into the intricacies of your 2014 Mercedes Sprinter's wiring diagram, it's crucial to understand its significance. This comprehensive diagram serves as a blueprint for the electrical system of your vehicle, providing valuable insights into its layout and connections. Whether you're a seasoned mechanic or a DIY enthusiast, having access to this diagram is essential for diagnosing and resolving electrical issues efficiently.

Deciphering the Diagram

Deciphering the Diagram

At first glance, the wiring diagram may appear daunting with its myriad of lines and symbols. However, with a bit of patience and understanding, you can unlock its secrets. Each line represents a wire, while symbols denote various components such as switches, relays, and sensors. By familiarizing yourself with these symbols and their meanings, you can navigate through the diagram with ease.

Identifying Components

Identifying Components

One of the key aspects of interpreting the wiring diagram is identifying the different components of your Sprinter's electrical system. From the battery and alternator to the various sensors and modules, each component plays a vital role in ensuring the smooth operation of your vehicle. By understanding how these components are interconnected, you can pinpoint potential issues and troubleshoot them effectively.

Tracing Circuits

Tracing Circuits

Another essential aspect of the wiring diagram is tracing the circuits that power different systems and components of your Sprinter. Whether it's the lighting system, engine controls, or entertainment system, each circuit is carefully mapped out in the diagram. By following these circuits, you can isolate problems and determine the root cause of electrical issues.

Diagnosing Electrical Problems

Diagnosing Electrical Problems

With the aid of the wiring diagram, diagnosing electrical problems in your 2014 Mercedes Sprinter becomes a more straightforward task. Whether it's a malfunctioning light, a faulty sensor, or a dead battery, the diagram provides a roadmap for troubleshooting. By following the wiring paths and conducting systematic checks, you can identify and resolve issues in a timely manner.

Performing Repairs

Performing Repairs

Once you've identified the root cause of an electrical problem, the next step is to perform repairs. Whether it involves repairing a damaged wire, replacing a faulty component, or addressing a loose connection, the wiring diagram guides you through the repair process. By following the prescribed steps and using the appropriate tools, you can restore your Sprinter's electrical system to optimal condition.

Preventing Future Issues

Preventing Future Issues

Understanding your 2014 Mercedes Sprinter's wiring diagram not only helps you diagnose and repair existing electrical problems but also enables you to prevent future issues. By maintaining a thorough understanding of your vehicle's electrical system and conducting regular inspections, you can identify potential problems early on and address them before they escalate. This proactive approach can save you time, money, and hassle in the long run.

Conclusion

Conclusion

In conclusion, the 2014 Mercedes Sprinter wiring diagram is a valuable tool for understanding, diagnosing, and repairing electrical issues in your vehicle. By familiarizing yourself with its components, circuits, and symbols, you can tackle electrical problems with confidence and precision. Whether you're a professional mechanic or a DIY enthusiast, having access to this comprehensive diagram empowers you to keep your Sprinter running smoothly for years to come.

The Significance of the 2014 Mercedes Sprinter Wiring Diagram

The 2014 Mercedes Sprinter wiring diagram serves as a fundamental tool for understanding the intricate electrical system of this iconic vehicle. In the realm of automotive engineering, a wiring diagram is akin to a blueprint, providing a visual representation of the electrical circuits and components that power various systems within the vehicle. By analyzing and interpreting this diagram, mechanics, engineers, and enthusiasts can gain valuable insights into the functionality, connectivity, and troubleshooting of the Sprinter's electrical infrastructure.

Understanding the Structure and Layout

Understanding the Structure and Layout

At the core of the 2014 Mercedes Sprinter wiring diagram lies a comprehensive depiction of the vehicle's electrical architecture. Transitioning from the macroscopic view of the entire vehicle to the microscopic details of individual circuits, this diagram offers a hierarchical representation of interconnected components and their respective wiring connections. Each line and symbol within the diagram carries significant meaning, representing wires, connectors, switches, sensors, and other electrical elements that form the intricate web of the Sprinter's electrical system.

Analyzing Circuitry and Connectivity

Analyzing Circuitry and Connectivity

Delving deeper into the 2014 Mercedes Sprinter wiring diagram, one encounters a myriad of circuits that govern the functionality of various vehicle systems. From the propulsion system to the entertainment and comfort features, each circuit plays a crucial role in ensuring the seamless operation of the Sprinter. By tracing the paths of these circuits and analyzing their connectivity, engineers can gain insights into the flow of electrical energy throughout the vehicle, identifying potential points of failure and areas for optimization.

Identifying Components and Their Functions

Identifying Components and Their Functions

Embedded within the 2014 Mercedes Sprinter wiring diagram are a plethora of symbols representing various electrical components and their functions. From simple resistors and capacitors to complex microcontrollers and actuators, each symbol serves as a visual shorthand for the corresponding component within the vehicle. By deciphering these symbols and understanding their functions, engineers can quickly identify the components involved in specific circuits, facilitating troubleshooting and repair processes.

Interpreting Wiring Codes and Color Schemes

Interpreting Wiring Codes and Color Schemes

One of the essential aspects of the 2014 Mercedes Sprinter wiring diagram is its utilization of wiring codes and color schemes to denote different types of wires and their functions. Transitioning from traditional black-and-white schematics to color-coded diagrams, modern wiring diagrams enhance readability and comprehension, simplifying the process of identifying wires and understanding their roles within the electrical system. By adhering to standardized wiring codes and color schemes, engineers can ensure consistency and accuracy in the interpretation of wiring diagrams across different vehicle models and manufacturers.

Utilizing Diagnostic and Troubleshooting Tools

Utilizing Diagnostic and Troubleshooting Tools

Armed with the 2014 Mercedes Sprinter wiring diagram, mechanics and technicians can leverage a myriad of diagnostic and troubleshooting tools to identify and rectify electrical issues within the vehicle. From multimeters and oscilloscopes to specialized diagnostic scanners and software, these tools empower professionals to conduct comprehensive assessments of the Sprinter's electrical system, pinpointing faults, and deviations from expected behavior. By cross-referencing diagnostic data with the wiring diagram, technicians can streamline the troubleshooting process, expediting repairs and minimizing downtime for the vehicle.

Enhancing Safety and Reliability

Enhancing Safety and Reliability

Beyond its utility in diagnostics and troubleshooting, the 2014 Mercedes Sprinter wiring diagram plays a pivotal role in enhancing the safety and reliability of the vehicle. By ensuring that electrical circuits are properly designed, implemented, and documented, engineers can mitigate the risk of electrical faults, short circuits, and other hazardous conditions that may compromise vehicle safety and performance. Additionally, adherence to wiring standards and best practices outlined in the wiring diagram contributes to the long-term reliability and durability of the Sprinter, minimizing the likelihood of electrical failures and associated maintenance costs.

Conclusion

Conclusion

In conclusion, the 2014 Mercedes Sprinter wiring diagram serves as a cornerstone of automotive engineering, offering invaluable insights into the electrical infrastructure of this iconic vehicle. By understanding its structure, analyzing its components and circuits, and leveraging diagnostic tools, engineers and technicians can diagnose, troubleshoot, and repair electrical issues with precision and efficiency. Moreover, the wiring diagram contributes to the safety and reliability of the Sprinter, ensuring optimal performance and peace of mind for drivers and passengers alike.

Another point of view about 2014 MERCEDES SPRINTER WIRING DIAGRAM.

When considering the 2014 Mercedes Sprinter wiring diagram, several key points come to mind:

  • The wiring diagram provides a detailed visual representation of the electrical system in the 2014 Mercedes Sprinter.

  • It outlines the connections between various electrical components such as sensors, switches, relays, and actuators.

  • This diagram helps mechanics and technicians understand the layout and organization of the vehicle's electrical system, facilitating troubleshooting and repairs.

  • By referencing the wiring diagram, individuals can identify the root causes of electrical issues and implement appropriate solutions.

  • The diagram also serves as a valuable reference tool during maintenance and modification tasks, ensuring proper electrical connections and system functionality.

  • It plays a crucial role in diagnosing and resolving electrical problems efficiently, minimizing vehicle downtime and repair costs.

  • Engineers and designers use the wiring diagram during the vehicle development process to ensure compliance with safety standards and electrical regulations.

  • The wiring diagram fosters a deeper understanding of the vehicle's electrical architecture, empowering individuals to make informed decisions regarding repairs and modifications.

Conclusion : Unlock Your Mercedes Sprinter's Wiring Secrets: 2014 Diagram Revealed!.

In conclusion, the 2014 Mercedes Sprinter wiring diagram is a valuable resource for anyone seeking to understand and troubleshoot the electrical system of this iconic vehicle. With its detailed visual representation of the wiring and components, the diagram provides a roadmap for diagnosing and resolving electrical issues efficiently. Whether you're a seasoned mechanic or a DIY enthusiast, having access to this comprehensive diagram can save you time and frustration when dealing with electrical problems.

By familiarizing yourself with the layout and organization of the 2014 Mercedes Sprinter wiring diagram, you can gain confidence in tackling electrical repairs and modifications. Whether you're replacing a faulty sensor, troubleshooting a lighting issue, or upgrading your Sprinter's electrical system, the wiring diagram serves as a guide every step of the way. Remember, with the 2014 Mercedes Sprinter wiring diagram at your disposal, you have the power to unravel the mysteries of your vehicle's electrical system and keep your Sprinter running smoothly for years to come.

Questions & Answer :

When it comes to the 2014 Mercedes Sprinter wiring diagram, people often have questions. Here are some common queries:

  • 1. What is a wiring diagram, and why is it important for my Sprinter?

  • 2. How can I access the wiring diagram for my 2014 Mercedes Sprinter?

  • 3. Are there any online resources or manuals that provide detailed wiring diagrams for the Sprinter?

  • 4. Can I use the wiring diagram to troubleshoot electrical issues in my Sprinter?

  • 5. Are there any specific tools or equipment I need to interpret the wiring diagram?

Answering these questions, a wiring diagram is a visual representation of the electrical system in your Sprinter, showing the connections between various components such as sensors, switches, and relays. It's essential because it helps you understand how your Sprinter's electrical system works, making it easier to diagnose and fix electrical issues.

Keywords : 2014 MERCEDES SPRINTER WIRING DIAGRAM

0 komentar