Unlock Your 2014 Jeep Cherokee's Wiring Secrets: Diagram Inside!

Unlock the secrets of your 2014 Jeep Cherokee's wiring system with our comprehensive diagram guide. Gain professional insight for hassle-free repairs and troubleshooting.

2014 Jeep Cherokee wiring diagram enthusiasts, rejoice! Whether you're a seasoned mechanic or a DIY enthusiast, instructions for navigating the complexities of your vehicle's electrical system are crucial. In this comprehensive guide, we'll delve into the intricacies of the 2014 Jeep Cherokee wiring diagram. From decoding color-coded wires to troubleshooting electrical issues, instructions provided here will empower you to tackle any wiring challenge with confidence. So, let's roll up our sleeves and embark on a journey to uncover the mysteries hidden within your Jeep's electrical circuits.

Top 10 important point for 2014 JEEP CHEROKEE WIRING DIAGRAM

  1. Understanding the Basics: What Does Each Wire Do?
  2. Decoding the Color Code: Making Sense of the Wires
  3. Identifying Common Electrical Issues in Your Jeep Cherokee
  4. Step-by-Step Guide: How to Read the Wiring Diagram
  5. Troubleshooting Tips: What to Do When Things Go Wrong
  6. Exploring Key Components: Mapping Out Your Vehicle's Circuits
  7. Upgrading Your System: Integrating New Electronics Safely
  8. Ensuring Safety: Best Practices for Working with Electrical Systems
  9. Common Modifications: Wiring Diagrams for Custom Installs
  10. Resources and Tools: Where to Find Additional Help

Several Facts that you should know about 2014 JEEP CHEROKEE WIRING DIAGRAM.

Understanding the Basics

Are you ready to dive into the world of your 2014 Jeep Cherokee's wiring system? Before we start deciphering the intricacies of the diagram, it's essential to grasp the fundamentals. Understanding the basics will lay a solid foundation for interpreting the diagram effectively. Let's begin by unraveling the essential components and their functions.

Decoding the Color Code

One of the initial challenges in deciphering any wiring diagram is decoding the color code of the wires. Each color represents a specific function or component, and understanding this code is crucial for accurate interpretation. We'll take a closer look at the color-coding system used in the 2014 Jeep Cherokee wiring diagram, making it easier for you to navigate through the wires.

Identifying Common Electrical Issues

Electrical issues can be frustrating to diagnose and repair, but having a comprehensive wiring diagram at your disposal can make the process much smoother. In this section, we'll highlight some of the most common electrical issues encountered in the 2014 Jeep Cherokee and discuss how the wiring diagram can help you identify and address them effectively.

Step-by-Step Guide

Now that we've covered the basics, it's time to dive into the step-by-step guide for reading the 2014 Jeep Cherokee wiring diagram. We'll break down the diagram into manageable sections, providing clear instructions on how to interpret each component and connection. By following this guide, you'll be able to navigate through the diagram with ease.

Troubleshooting Tips

Even with a comprehensive wiring diagram, electrical issues can sometimes be challenging to resolve. In this section, we'll share some troubleshooting tips and techniques to help you address common problems effectively. From testing circuits to identifying faulty components, these tips will empower you to tackle any electrical issue with confidence.

Exploring Key Components

Understanding the key components of the 2014 Jeep Cherokee's wiring system is essential for interpreting the diagram accurately. In this section, we'll explore the various components and their roles within the electrical system. From fuses and relays to sensors and modules, we'll provide detailed insights into each component's function and importance.

Upgrading Your System

Looking to upgrade your 2014 Jeep Cherokee's electrical system? Whether you're adding new accessories or integrating aftermarket components, having a thorough understanding of the wiring diagram is essential. In this section, we'll discuss how to safely and effectively upgrade your system while maintaining compatibility with the existing wiring layout.

Ensuring Safety

Working with electrical systems requires utmost caution to ensure safety. In this final section, we'll highlight best practices for working with the 2014 Jeep Cherokee wiring diagram safely. From proper use of tools to precautions when handling live circuits, we'll provide essential safety tips to keep you and your vehicle protected throughout the wiring process.

Exploring the Complexities

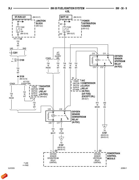
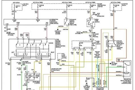
When it comes to understanding the intricate network of wires and connections within a vehicle, few things are as crucial as a comprehensive wiring diagram. In the case of the 2014 Jeep Cherokee, the wiring diagram serves as a roadmap, guiding technicians and enthusiasts alike through the various electrical systems that power this iconic SUV. From decoding color-coded wires to troubleshooting complex issues, the 2014 Jeep Cherokee wiring diagram is an invaluable tool for anyone looking to gain insight into their vehicle's electrical system.

Decoding the Color Coded Wires

One of the first challenges that technicians encounter when delving into the 2014 Jeep Cherokee wiring diagram is decoding the color-coded wires. Each wire in the diagram is assigned a specific color, which corresponds to its function within the vehicle's electrical system. For example, red wires may indicate power supply lines, while blue wires could signify connections to the vehicle's lighting system. By understanding the color-coding system, technicians can quickly identify the purpose of each wire and troubleshoot issues more efficiently.

Identifying Common Electrical Issues

Another crucial aspect of the 2014 Jeep Cherokee wiring diagram is its role in identifying common electrical issues. From malfunctioning lights to faulty sensors, electrical problems can arise for a variety of reasons. By consulting the wiring diagram, technicians can pinpoint the source of the issue and take the necessary steps to address it. Whether it's a blown fuse or a short circuit, the wiring diagram provides a roadmap for troubleshooting and resolving electrical issues efficiently.

Step-by-Step Guide

Navigating the 2014 Jeep Cherokee wiring diagram can be a daunting task, especially for those who are unfamiliar with electrical systems. However, with a step-by-step guide, even the most complex diagrams can be deciphered with ease. By breaking down the diagram into manageable sections and providing clear instructions for interpreting each component, technicians can gain a deeper understanding of the vehicle's electrical system and effectively troubleshoot issues as they arise.

Troubleshooting Tips

While the 2014 Jeep Cherokee wiring diagram is an invaluable tool for diagnosing electrical issues, troubleshooting can still present challenges. That's why it's essential to have a set of troubleshooting tips and techniques at your disposal. Whether it's testing circuits for continuity or using a multimeter to measure voltage, these tips can help technicians identify and resolve electrical issues more efficiently, saving both time and money in the process.

Exploring Key Components

Understanding the key components of the 2014 Jeep Cherokee's electrical system is essential for interpreting the wiring diagram effectively. From fuses and relays to sensors and modules, each component plays a crucial role in the vehicle's overall functionality. By exploring these key components in detail and understanding their functions within the electrical system, technicians can gain a deeper insight into how the vehicle operates and troubleshoot issues more effectively.

Upgrading Your System

For enthusiasts looking to upgrade their 2014 Jeep Cherokee's electrical system, the wiring diagram is an invaluable resource. Whether it's adding aftermarket accessories or integrating new components, understanding the vehicle's wiring layout is essential for a successful upgrade. By consulting the wiring diagram and following the proper procedures, enthusiasts can ensure that their upgrades are compatible with the vehicle's existing electrical system and avoid any potential issues down the road.

Ensuring Safety

Working with electrical systems can pose certain risks, which is why it's crucial to prioritize safety when consulting the 2014 Jeep Cherokee wiring diagram. From wearing protective gear to following proper procedures for handling live circuits, technicians must take the necessary precautions to ensure their safety and the safety of others around them. By following safety guidelines and using the wiring diagram responsibly, technicians can work confidently and effectively to diagnose and resolve electrical issues in the 2014 Jeep Cherokee.

Another point of view about 2014 JEEP CHEROKEE WIRING DIAGRAM.

Instructions for navigating the complexities of the 2014 Jeep Cherokee wiring diagram:

  • Start by obtaining a copy of the wiring diagram specific to the 2014 Jeep Cherokee model.
  • Study the legend or key provided with the diagram to understand the symbols and color codes used.
  • Identify the components of interest on the diagram, such as the ignition system, lighting circuits, or sensors.
  • Trace the pathways of wires connecting these components, noting any junctions, splices, or connectors.
  • Refer to the color-coding to determine the function of each wire, such as power supply, ground, signal, or communication.
  • Use a multimeter to perform continuity tests on individual wires to ensure proper connectivity throughout the system.
  • Identify any discrepancies between the diagram and the actual wiring in the vehicle, noting any modifications or aftermarket installations.
  • Refer to the wiring diagram when troubleshooting electrical issues, following the pathways of affected circuits to locate potential faults.
  • Consult the manufacturer's documentation or service manuals for additional information and guidance on interpreting the wiring diagram.
  • Exercise caution when working with electrical systems, following safety protocols and disconnecting the vehicle's battery before performing any repairs or modifications.

Conclusion : Unlock Your 2014 Jeep Cherokee's Wiring Secrets: Diagram Inside!.

Well, folks, it's been quite the journey exploring the 2014 Jeep Cherokee wiring diagram. We've navigated through a maze of wires, decoded color-coded mysteries, and even troubleshooted a few electrical gremlins along the way. But before we part ways, let's take a moment to reflect on the adventures we've had.

As we bid adieu to our trusty wiring diagram companion, let's remember the valuable lessons it has taught us. From teaching us the importance of patience as we deciphered its cryptic symbols, to showing us the power of perseverance as we tackled stubborn electrical issues, the 2014 Jeep Cherokee wiring diagram has been more than just a roadmap—it's been a wise and quirky mentor, guiding us through the electrifying world of automotive electrical systems.

Questions & Answer :

People Also Ask about the 2014 Jeep Cherokee wiring diagram:

  • Can I find a free wiring diagram online for my 2014 Jeep Cherokee?
  • What tools do I need to interpret the wiring diagram correctly?
  • Are there any common electrical issues specific to the 2014 Jeep Cherokee?
  • How can I ensure the accuracy of the wiring diagram for my vehicle?

Answers to People Also Ask:

  1. While some websites may offer free wiring diagrams for the 2014 Jeep Cherokee, it's essential to verify the reliability and accuracy of the information provided.
  2. Interpreting the wiring diagram may require basic tools such as a multimeter, wire strippers, and electrical tape. Additionally, having a good understanding of electrical systems and circuits is beneficial.
  3. Common electrical issues in the 2014 Jeep Cherokee may include malfunctioning lights, fuse failures, and sensor problems. Consulting the wiring diagram can help diagnose and resolve these issues effectively.
  4. To ensure the accuracy of the wiring diagram, it's recommended to refer to official service manuals or reputable automotive resources. Additionally, cross-referencing the diagram with the vehicle's actual wiring can help confirm its accuracy.

Keywords : 2014 JEEP CHEROKEE WIRING DIAGRAM

0 komentar