Unlock Your Jeep's Secrets: 2014 Wiring Diagram Revealed!

Unlock the mysteries of your 2014 Jeep's wiring system with our comprehensive diagram. Gain insights to troubleshoot and maintain your vehicle like a pro.

Hey there, fellow Jeep aficionados! Ever found yourself scratching your head over the intricate web of wires in your 2014 Jeep? Fear not, because today, we're diving into the quirky world of Jeep wiring diagrams. Prepare to embark on a journey through the electrifying labyrinth of circuits and connections that power your beloved ride. So grab your multimeter and strap in for a shockingly enlightening exploration!

Top 10 important point for 2014 Jeep Wiring Diagram

  1. Introduction to 2014 Jeep Wiring Diagram
  2. Historical Context of Jeep Electrical Systems
  3. Anatomy of a Wiring Diagram: Components and Symbols
  4. Understanding Circuit Design in the 2014 Jeep Model
  5. Diagnostic Applications: Troubleshooting Common Issues
  6. Interpreting Wiring Diagrams for Maintenance Procedures
  7. Safety Considerations: Handling Electrical Systems
  8. Comparative Analysis: 2014 Jeep vs. Previous Models
  9. Integration of Advanced Technologies in Wiring Systems
  10. Future Directions: Evolving Trends in Automotive Wiring

Several Facts that you should know about 2014 Jeep Wiring Diagram.

Introduction: Understanding the Importance of a 2014 Jeep Wiring Diagram

Introduction to 2014 Jeep Wiring Diagram

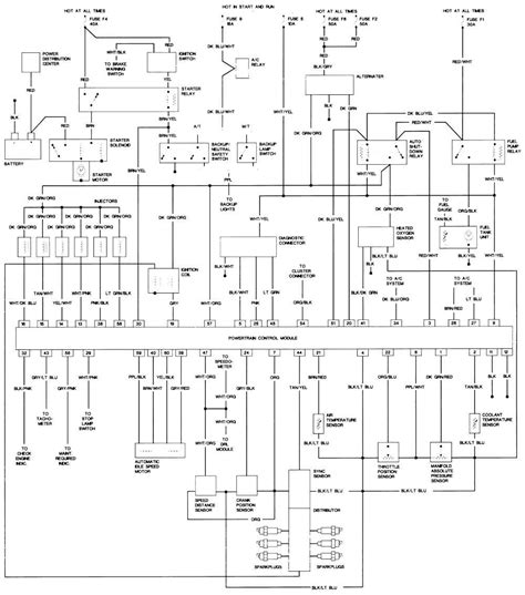
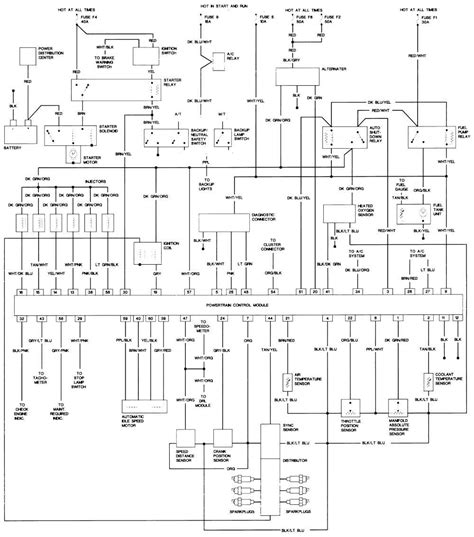
When it comes to maintaining and troubleshooting your 2014 Jeep, having access to a comprehensive wiring diagram is essential. This document serves as a roadmap, guiding you through the intricate network of electrical connections within your vehicle.

Deciphering Complex Systems: Navigating the Anatomy of a Wiring Diagram

Deciphering Complex Systems

At first glance, a wiring diagram may seem overwhelming with its maze of lines and symbols. However, with patience and understanding, you'll discover that each component is meticulously labeled, providing invaluable insights into your Jeep's electrical setup.

Empowering DIY Enthusiasts: The Diagnostic Potential of Wiring Diagrams

Empowering DIY Enthusiasts

For the hands-on Jeep owner, a wiring diagram is more than just a document – it's a tool for empowerment. By familiarizing yourself with the diagram, you'll be equipped to diagnose and address common electrical issues, saving both time and money in the process.

Enhanced Maintenance Strategies: Leveraging Wiring Diagrams for Routine Care

Enhanced Maintenance Strategies

Regular maintenance is the key to preserving the longevity of your 2014 Jeep, and a wiring diagram can significantly enhance your maintenance strategies. Whether you're replacing a faulty component or performing routine inspections, the diagram serves as your trusty companion.

Prioritizing Safety: Best Practices for Handling Electrical Systems

Prioritizing Safety

While a wiring diagram is a valuable resource, it's essential to prioritize safety when working with electrical systems. Always adhere to recommended safety protocols, such as disconnecting the battery and using insulated tools, to prevent accidents and injuries.

Comparative Analysis: Evolution of Jeep Wiring Systems

Comparative Analysis

Understanding the wiring diagram of your 2014 Jeep isn't just about the present – it's also about tracing the evolution of Jeep's electrical systems. By comparing diagrams across different models and years, you'll gain valuable insights into the brand's technological advancements.

Embracing Innovation: The Role of Advanced Technologies in Wiring Diagrams

Embracing Innovation

As automotive technology continues to evolve, so do wiring diagrams. From the integration of digital interfaces to the adoption of smart diagnostics, modern diagrams reflect the innovative spirit driving the automotive industry forward.

Conclusion: Harnessing the Power of Knowledge with a 2014 Jeep Wiring Diagram

Conclusion

In conclusion, a 2014 Jeep wiring diagram is more than just a technical document – it's a gateway to understanding and mastering your vehicle's electrical systems. By embracing its insights and leveraging its diagnostic potential, you'll embark on a journey of empowerment and expertise as a Jeep owner.

Welcome to the World of 2014 Jeep Wiring Diagrams

So, you've found yourself in the fascinating world of 2014 Jeep wiring diagrams. Don't worry if you're feeling a bit overwhelmed – we're here to guide you through this maze of wires and circuits in a way that's easy to understand. Whether you're a seasoned DIY enthusiast or a curious owner looking to learn more about your vehicle, you've come to the right place!

Understanding the Basics

Understanding the Basics

Let's start with the basics. A wiring diagram is essentially a map that shows the electrical connections between various components in your vehicle. It's like a blueprint for your Jeep's nervous system – every wire, connector, and component is meticulously mapped out to ensure everything works as it should.

Deciphering the Symbols

Deciphering the Symbols

Now, let's talk about the symbols you'll encounter in a typical wiring diagram. At first glance, it may look like a foreign language, but fear not – it's not as complicated as it seems. Symbols like lines, squares, and circles represent different electrical components, while arrows indicate the direction of current flow. Once you get the hang of it, deciphering these symbols will become second nature.

Tracing the Circuits

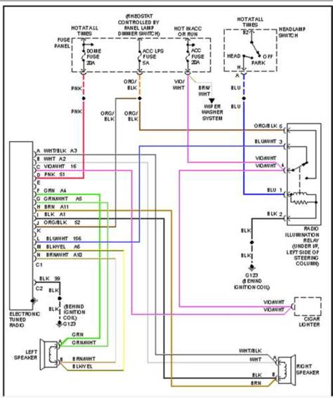
Tracing the Circuits

Now that you understand the basics and symbols, it's time to trace the circuits in your 2014 Jeep. Think of it like following a treasure map – except instead of gold, you're hunting down electrical connections. By tracing the circuits, you'll gain a deeper understanding of how power flows through your vehicle and how each component is interconnected.

Diagnosing Electrical Issues

Diagnosing Electrical Issues

One of the most valuable aspects of a wiring diagram is its ability to help diagnose electrical issues in your 2014 Jeep. Whether it's a faulty wire, a blown fuse, or a malfunctioning component, a wiring diagram can point you in the right direction. It's like having a roadmap to troubleshooting – no more guessing games!

Preventive Maintenance

Preventive Maintenance

Aside from troubleshooting, a wiring diagram can also be a valuable tool for preventive maintenance. By understanding how all the electrical components are connected, you can identify potential weak points or areas that may need attention before they become bigger problems. It's like giving your Jeep a check-up before it gets sick!

Modifications and Upgrades

Modifications and Upgrades

For the DIY enthusiast or the adventurous Jeep owner, a wiring diagram can open up a world of possibilities for modifications and upgrades. Whether you're installing new lights, a stereo system, or off-road accessories, a wiring diagram will be your best friend. It's like having a roadmap to customizing your Jeep exactly how you want it!

Learning and Growing

Learning and Growing

Finally, delving into the world of 2014 Jeep wiring diagrams is not just about fixing problems or making upgrades – it's also about learning and growing as a Jeep owner. Understanding how your vehicle works, from its electrical systems to its mechanical components, will give you a newfound sense of confidence and empowerment. It's like becoming a Jedi master of all things Jeep!

So there you have it – a crash course in the wonderful world of 2014 Jeep wiring diagrams. Whether you're using them to troubleshoot electrical issues, plan modifications, or simply satisfy your curiosity, these diagrams are an invaluable resource for any Jeep owner. So grab your magnifying glass and get ready to dive into the world of wires and circuits – adventure awaits!

Another point of view about 2014 Jeep Wiring Diagram.

Let's take a creative journey through the fascinating realm of the 2014 Jeep wiring diagram:

  • 1. Imagine yourself as a detective, unraveling the mysteries of your Jeep's electrical system with the help of a wiring diagram. Each wire is like a clue, leading you closer to solving the case of the malfunctioning headlights or the mysterious engine stutter.
  • 2. Picture the wiring diagram as a roadmap to adventure, guiding you through the twists and turns of your vehicle's intricate electrical pathways. It's not just a diagram – it's a treasure map, leading to the hidden gems of knowledge and understanding.
  • 3. Think of the wiring diagram as a puzzle waiting to be solved. Each connection is like a piece of the puzzle, and it's up to you to put them all together to reveal the big picture of your Jeep's electrical system.
  • 4. Consider the wiring diagram as a canvas for creativity. Just like an artist with a blank canvas, you have the power to customize and modify your Jeep's electrical system to suit your needs and preferences. With the wiring diagram as your guide, the possibilities are endless.
  • 5. Envision yourself as a conductor orchestrating a symphony of electrons through your Jeep's wiring system. With the wiring diagram as your musical score, you have the power to harmonize the electrical components and create a masterpiece of functionality.

So, whether you see the 2014 Jeep wiring diagram as a detective's toolkit, a roadmap to adventure, a puzzle to solve, a canvas for creativity, or a musical score to conduct, one thing is for sure – it's a journey worth embarking on!

Conclusion : Unlock Your Jeep's Secrets: 2014 Wiring Diagram Revealed!.

Well, folks, it's time to wrap up our electrifying journey through the world of the 2014 Jeep wiring diagram. As we bid adieu to this fascinating topic, let's take a moment to reflect on the shocking revelations we've uncovered.

First and foremost, I hope you've realized that delving into the intricacies of your Jeep's wiring system is not for the faint of heart. It's like navigating a maze of tangled spaghetti – one wrong move, and you could end up with a plateful of electrical spaghetti all over your garage floor! But fear not, intrepid adventurers, for armed with the power of knowledge (and maybe a few extra fuses), you'll emerge victorious in your quest to conquer the mysteries of automotive wiring.

As we bring this electrifying adventure to a close, remember that while the 2014 Jeep wiring diagram may seem daunting at first glance, it's also a gateway to endless possibilities. So whether you're using it to troubleshoot electrical gremlins, plan epic modifications, or simply impress your friends with your newfound knowledge of voltage drop calculations, embrace the spark of curiosity and never stop exploring!

Questions & Answer :

When it comes to the 2014 Jeep wiring diagram, people often have questions about how to navigate the complexities of their vehicle's electrical system. Let's address some of the common queries:

  • 1. What is a wiring diagram and why is it important for my 2014 Jeep? A wiring diagram is a visual representation of your Jeep's electrical system, showing the connections between various components. It's crucial for understanding how your vehicle's electrical system works and for troubleshooting any issues that may arise.
  • 2. How can I interpret a wiring diagram for my 2014 Jeep? Interpreting a wiring diagram may seem daunting at first, but with patience and understanding, it becomes more manageable. Start by familiarizing yourself with the symbols used in the diagram, then follow the lines to trace the connections between components.
  • 3. What are some common electrical problems in a 2014 Jeep? Common electrical issues in a 2014 Jeep may include malfunctioning lights, a dead battery, or problems with the stereo system. A wiring diagram can be a valuable tool for diagnosing and addressing these issues effectively.
  • 4. How can I use a wiring diagram to troubleshoot electrical problems in my 2014 Jeep? Using a wiring diagram, you can identify the specific components and connections related to the issue you're experiencing. By tracing the circuit and checking for continuity, you can pinpoint the source of the problem and take appropriate action to resolve it.
  • 5. Are there any safety precautions I should take when working with a wiring diagram? Yes, safety should always be a top priority when working with electrical systems. Before starting any work, be sure to disconnect the battery and use insulated tools to avoid the risk of electrical shock. Additionally, follow proper procedures and precautions outlined in your vehicle's service manual.

By understanding the importance of a wiring diagram and how to use it effectively, you can confidently navigate the electrical intricacies of your 2014 Jeep and ensure that it stays running smoothly.

Keywords : 2014 Jeep Wiring Diagram

0 komentar